您好,欢迎进入格鲁夫机械设备制造有限公司官网!
减速机|丝杆升降机|减速电机|行业专用减速机|减速机配件|减速机厂|丝杆升降机厂|转向器厂

联系我们

邮箱:china@gelufu.com
电话:0312-6784766
在线咨询

行业专用减速机

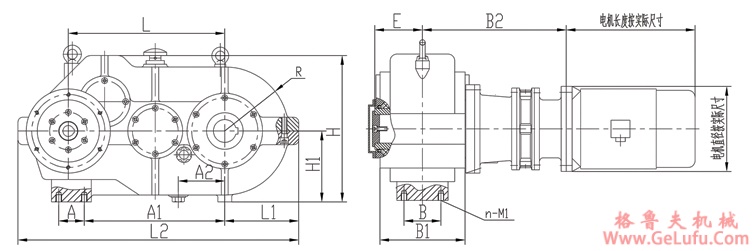
JB型滚轮架专用减速机外型及安装尺寸

发布日期:2023-12-28 19:50 浏览次数:

JB型滚轮架专用减速机外型及安装尺寸(图1)

gelufu

JB型滚轮架专用减速机外型及安装尺寸(图2) 微信:grove_company

型号
E
A
B
N
M1
A1
A2
B1
L
L1
L2
H
H1
B2
R
JB1
102
70
70
4
N12
354.5
135
170
389.5
132
653
250
130
245
120
JB2
117
70
70
4
M12
307
60
200
382.5
149.5
646
295
155
359
140
JB3
148
110
120
4
M16
352
160
250
462
225
822
430
210
429
190
JB35
180
140
140
4
M16
474
238
300
589
215
949
392
200
512
193
JB4
189
70
100
4
M20
445
250
320
640.8
295
1130
595
275
522
255
JB5
215
80
110
4
M20
670
370
380
804
373
1410
755
350
638
335
JB6
245
160
160
4
M24
843
365
430
923
420
1629
870
410
710
405
JB7
337.5
170
250
4
M30
1220
520
580
1220
550
2120
1175
560
767
525

Copyright © 2023-2025 格鲁夫 版权所有 备案号:冀ICP备19023093号-2

电子营业执照图标 电子营业执照
选择语言
Hello,欢迎来咨询~