您好,欢迎进入格鲁夫机械设备制造有限公司官网!
减速机|丝杆升降机|减速电机|行业专用减速机|减速机配件|减速机厂|丝杆升降机厂|转向器厂

联系我们

邮箱:china@gelufu.com
电话:0312-6784766
在线咨询

行业专用减速机

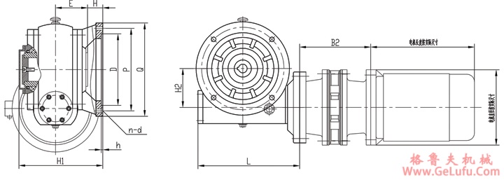
JC型滚轮架专用减速机外型及安装尺寸

发布日期:2023-12-28 19:50 浏览次数:

JC型滚轮架专用减速机外型及安装尺寸(图1) 电话:0312-6784766

JC型滚轮架专用减速机外型及安装尺寸(图2) fax:0312-6784733

型号
E
H
h
D
P
Q
n
d
H1
H2
L
B2
JC1
65
45
6
Ø 110
Ø 135
Ø 160
4
Ø 9
200
63
208
178
JC2
75
45
6
Ø 130
Ø 165
Ø 200
4
Ø 13
220
80
232
178
JC3
87
45
6
Ø 180
Ø 215
Ø 1250
4
Ø 13
248
100
268
206
JC4
124
45
8
Ø 230
Ø 265
Ø 300
4
Ø 14
320
125
308
218
JC5
136
45
8
Ø 260
Ø 310
Ø 360
4
Ø 18
345
145
345
218

Copyright © 2023-2025 格鲁夫 版权所有 备案号:冀ICP备19023093号-2

电子营业执照图标 电子营业执照
选择语言
Hello,欢迎来咨询~