您好,欢迎进入格鲁夫机械设备制造有限公司官网!
减速机|丝杆升降机|减速电机|行业专用减速机|减速机配件|减速机厂|丝杆升降机厂|转向器厂

联系我们

邮箱:china@gelufu.com
电话:0312-6784766
地址:莲池区焦庄乡 在线咨询

行业专用减速机

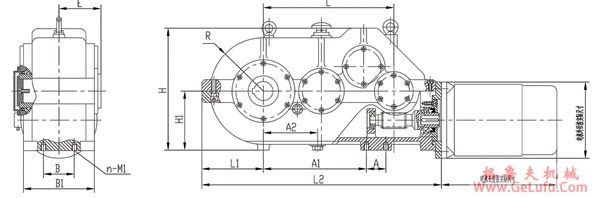
JA型滚轮架专用减速机外型及安装尺寸

发布日期:2023-12-28 19:50 浏览次数:

JA型滚轮架专用减速机外型及安装尺寸(图1) QQ:47447450

JA型滚轮架专用减速机外型及安装尺寸(图2) Mobile:13331225020

型号
E
A
B
N
M1
A1
A2
B1
L
L1
L2
H
H1
R
JA2
117
70
70
4
M16
201.5
324.5
200
324.5
149.5
620
320
155
140
JA3
148
50
100
4
M16
340
170
250
462
197.5
832
422
200
185
JA4
189
65
150
4
M20
482.5
250
320
640.8
295
1160
585
275
255
JA5
215
80
110
4
M20
670
370
380
804
373
1440
755
350
335
格鲁夫丝杆升降机

Copyright © 2023-2025 格鲁夫 版权所有 备案号:冀ICP备19023093号-2

电子营业执照图标 电子营业执照