您好,欢迎进入格鲁夫机械设备制造有限公司官网!
减速机|丝杆升降机|减速电机|行业专用减速机|减速机配件|减速机厂|丝杆升降机厂|转向器厂

联系我们

邮箱:china@gelufu.com
电话:0312-6784766
地址:莲池区焦庄乡 在线咨询

行星齿轮减速机

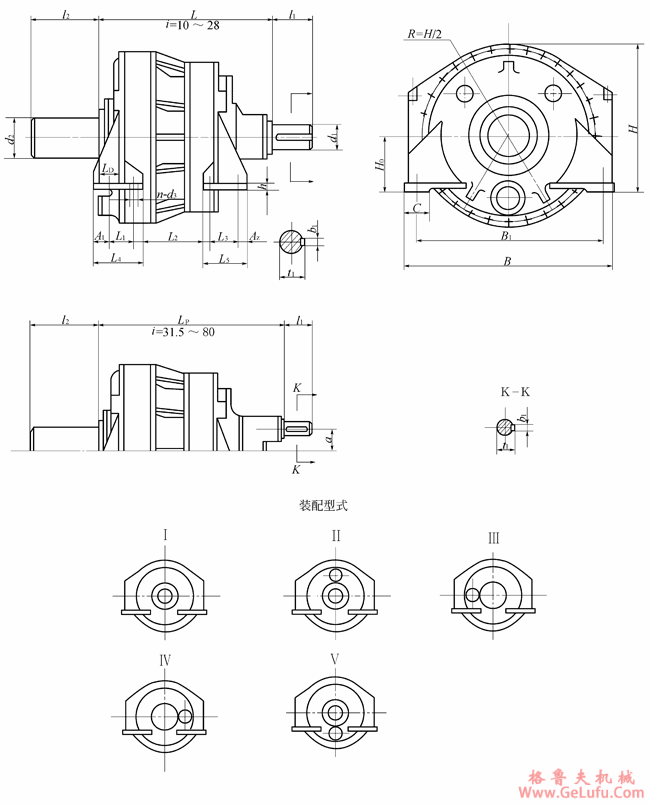
PBF160型、PBF200型减速机主尺寸(JB/T6120-1992)

发布日期:2023-12-28 19:29 浏览次数:

 PBF160型、PBF200型减速机主尺寸(JB/T6120-1992)(图1) 微信:grove_company

PBF型减速器主尺寸 gelufu.com

 PBF160型、PBF200型减速机主尺寸(JB/T6120-1992)(图2)

gelufu.com.cn

PBF160型、PBF200型减速器主尺寸 /mm
型号
外形尺寸及中心高
入轴尺寸
i=10~20
i=22.5~28
i=31.5~50
L
LP
B
H
H0
a
d1
t1
b1
l1
d1
t1
b1
l1
d1
t1
b1
l1
PBF160
2410
2515
2300
1960
500
450
340
355
80
510
340
355
80
510
260
272
56
420
PBF200
2595
2750
2800
2450
620
560
380
395
80
570
340
355
80
510
290
302
63
435
型号
入轴尺寸
出轴尺寸
地脚尺寸
质量
m/kg
i=63~80
d1
t1
b1
l1
d2
l2
LD
L1
L2
L3
L4
L5
A1
A2
B1
C
d3
h
PBF160
140
148
36
225
499.66
735
80
530
815
380
760
660
115
165
2040
250
78
80
22518
PBF200
180
190
45
280
615.8
920
85
600
960
400
850
700
125
175
2500
320
86
90
38373

Copyright © 2023-2025 格鲁夫 版权所有 备案号:冀ICP备19023093号-2

电子营业执照图标 电子营业执照