您好,欢迎进入格鲁夫机械设备制造有限公司官网!
减速机|丝杆升降机|减速电机|行业专用减速机|减速机配件|减速机厂|丝杆升降机厂|转向器厂

联系我们

邮箱:china@gelufu.com
电话:0312-6784766
在线咨询

行星齿轮减速机

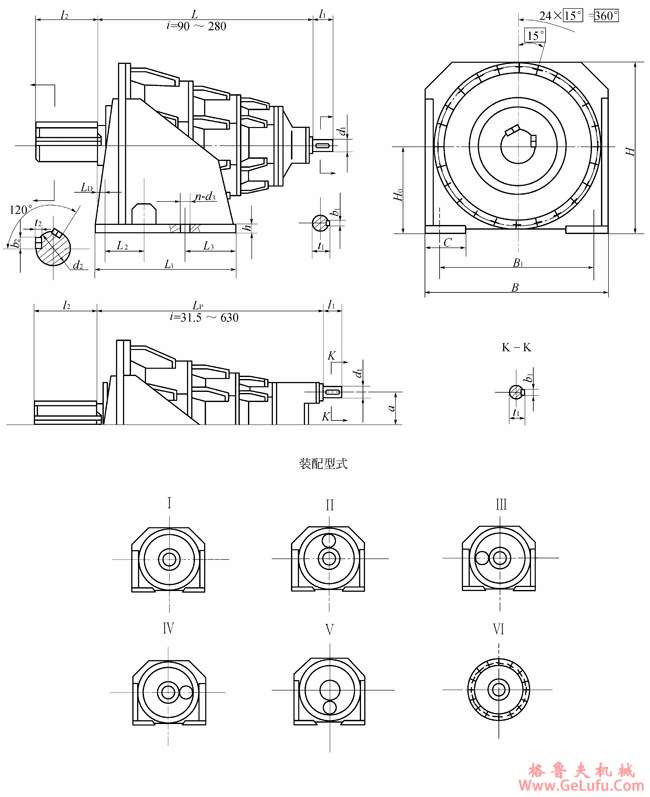
PCF63型减速机主要尺寸(JB/T6120-1992)

发布日期:2023-12-28 19:29 浏览次数:

PCF63型减速机主要尺寸(JB/T6120-1992)(图1) 格鲁夫配件

PCF63型减速器主要尺寸 电话:0312-6784766

PCF63型减速机主要尺寸(JB/T6120-1992)(图2) 电话:0312-6784766

PCF63型减速器主要尺寸 /mm
型号
外形尺寸及中心高
入轴尺寸
i=90~200
i=225~280
i=315~630
L
LP
B
H
H0
a
d1
t1
b1
l1
d1
t1
b1
l1
d1
t1
b1
l1
PCF63
1153
1130
1100
1070
520
100
55
59
16
88
40
43
12
88
35
38
10
55
型号
出轴尺寸
地脚尺寸
质量
m/kg
d2
t2
b2
l2
LD
L1
L2
L3
B1
h
C
n
3
PCF63
200
20
60
340
60
795
240
255
940
60
320
6
39
2864

Copyright © 2023-2025 格鲁夫 版权所有 备案号:冀ICP备19023093号-2

电子营业执照图标 电子营业执照
选择语言
Hello,欢迎来咨询~