电话:0312-6784766
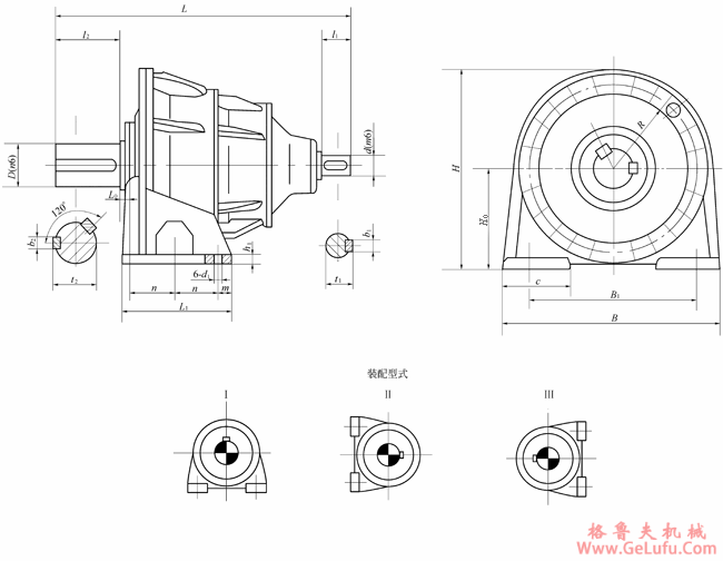
NBD型行星齿轮减速机外形及安装尺寸
格鲁夫齿轮箱
NBD减速器的外形、装配型式和安装尺寸 (mm) WX:grove_company
|
规格
代号 |
型号
规格 |
公称
传动
比i |
外形及中心高 |
轴伸 |
地脚尺寸 |
质量(kg) |
润滑
油量
(L) | ||||||||||||||||||
|
L |
B |
H |
H0 |
R |
d |
D |
l1 |
l2 |
t1 |
b1 |
t2 |
b2 |
L1 |
L0 |
n |
m |
h |
B1 |
C |
d1 | |||||
|
1 |
NBD
250 |
20~25 |
715 |
460 |
435 |
220 |
215 |
30 |
20 |
58 |
160 |
33 |
8 |
85 |
22 |
290 |
30 |
120 |
25 |
20 |
360 |
120 |
20 |
210 |
8 |
|
28~50 | |||||||||||||||||||||||||
|
2 |
NBD
280 |
20~25 |
760 |
500 |
465 |
235 |
230 |
35 |
100 |
58 |
165 |
38 |
10 |
106 |
28 |
300 |
35 |
120 |
30 |
23 |
410 |
130 |
22 |
270 |
10 |
|
28~50 | |||||||||||||||||||||||||
|
3 |
NBD
315 |
20~25 |
820 |
560 |
525 |
265 |
260 |
40 |
120 |
82 |
165 |
45 |
12 |
127 |
32 |
320 |
35 |
130 |
30 |
25 |
470 |
140 |
22 |
360 |
14 |
|
28~50 | |||||||||||||||||||||||||
|
4 |
NBD
355 |
20~25 |
900 |
630 |
660 |
300 |
290 |
50 |
140 |
82 |
200 |
53.5 |
14 |
148 |
36 |
380 |
38 |
155 |
35 |
28 |
520 |
170 |
26 |
468 |
20 |
|
28~50 | |||||||||||||||||||||||||
|
5 |
NBD
400 |
20~25 |
993 |
710 |
690 |
335 |
325 |
60 |
150 |
105 |
200 |
64 |
18 |
158 |
36 |
400 |
51 |
165 |
35 |
35 |
600 |
210 |
26 |
600 |
28 |
|
28~50 | |||||||||||||||||||||||||
|
6 |
NBD
450 |
20~25 |
1100 |
800 |
745 |
375 |
370 |
65 |
170 |
105 |
240 |
69 |
18 |
179 |
40 |
460 |
60 |
180 |
50 |
35 |
670 |
220 |
33 |
830 |
38 |
|
28~50 | |||||||||||||||||||||||||
|
7 |
NBD
500 |
20~25 |
1252 |
900 |
835 |
425 |
410 |
75 |
200 |
105 |
280 |
795 |
20 |
210 |
45 |
500 |
80 |
200 |
50 |
40 |
770 |
240 |
33 |
1250 |
45 |
|
28~50 | |||||||||||||||||||||||||
|
8 |
NBD
560 |
20~25 |
1340 |
1020 |
950 |
420 |
470 |
80 |
220 |
130 |
280 |
85 |
22 |
231 |
50 |
580 |
715 |
230 |
60 |
40 |
880 |
300 |
38 |
1700 |
60 |
|
28~50 | |||||||||||||||||||||||||