gelufu.com
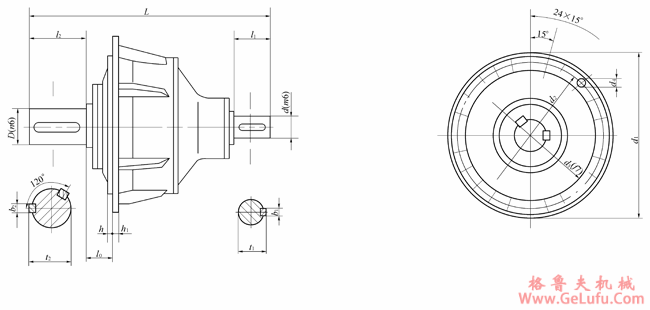
NAF型行星齿轮减速机外形及安装尺寸
格鲁夫减速机
NAF减速器的外形和安装尺寸 (mm)
传真:0312-6784733
|
规格代号 |
型号规格 |
公称传动 比i |
外形尺寸 |
轴伸 |
法兰尺寸 |
质量(kg) |
润滑油量(L) | ||||||||||||
|
L |
d1 |
d |
D |
l1 |
l2 |
t1 |
b1 |
t2 |
b2 |
d2 |
d3 |
d4 |
L0 |
h | |||||
|
1 |
NAF
200 |
4~5.6 |
540
540 |
325 |
50
40 |
60 |
82
82 |
105 |
53.5
43 |
14
12 |
64 |
18 |
300 |
275 |
13.5 |
70 |
6 |
70 |
2 |
|
6.3~9 | |||||||||||||||||||
|
2 |
NAF
224 |
4~5.6 |
610
610 |
365 |
55
45 |
70 |
82
82 |
105 |
59
48.5 |
16
14 |
74.5 |
20 |
335 |
300 |
13.5 |
76 |
6 |
100 |
3 |
|
6.3~9 | |||||||||||||||||||
|
3 |
NAF
250 |
4~5.6 |
680
657 |
410 |
60
50 |
80 |
105
82 |
130 |
64
53.5 |
18
14 |
85 |
22 |
375 |
340 |
17.5 |
85 |
8 |
130 |
4 |
|
6.3~9 | |||||||||||||||||||
|
4 |
NAF
280 |
4~5.6 |
750
727 |
460 |
65
55 |
100 |
105
82 |
165 |
69
59 |
18
16 |
106 |
28 |
420 |
385 |
17.5 |
95 |
8 |
195 |
6 |
|
6.3~9 | |||||||||||||||||||
|
5 |
NAF
315 |
4~5.6 |
800
800 |
520 |
75
60 |
120 |
105
105 |
165 |
79.5
64 |
20
18 |
127 |
32 |
470 |
435 |
17.5 |
113 |
8 |
260 |
8 |
|
6.3~9 | |||||||||||||||||||
|
6 |
NAF
355 |
4~5.6 |
895
875 |
585 |
85
65 |
140 |
130
105 |
200 |
90
69 |
22
18 |
148 |
36 |
525 |
485 |
22 |
120 |
8 |
355 |
10 |
|
6.3~9 | |||||||||||||||||||
|
7 |
NAF
400 |
4~5.6 |
980
955 |
650 |
95
75 |
150 |
130
105 |
200 |
100
79.5 |
25
20 |
158 |
36 |
590 |
545 |
22 |
125 |
8 |
445 |
14 |
|
6.3~9 | |||||||||||||||||||
|
8 |
NAF
450 |
4~5.6 |
1135
1100 |
740 |
110
80 |
170 |
165
138 |
240 |
116
85 |
28
22 |
179 |
40 |
670 |
615 |
26 |
138 |
8 |
620 |
20 |
|
6.3~9 | |||||||||||||||||||
|
9 |
NAF
500 |
4~5.6 |
1250
1215 |
820 |
120
90 |
200 |
165
130 |
280 |
127
95 |
32
25 |
210 |
45 |
755 |
680 |
26 |
160 |
8 |
948 |
26 |
|
6.3~9 | |||||||||||||||||||
|
10 |
NAF
560 |
4~5.6 |
1355
1320 |
940 |
130
100 |
220 |
200
165 |
280 |
137
106 |
32
28 |
231 |
50 |
860 |
785 |
33 |
173.5 |
10 |
1280 |
34 |
|
6.3~9 | |||||||||||||||||||