mail:china@gelufu.com
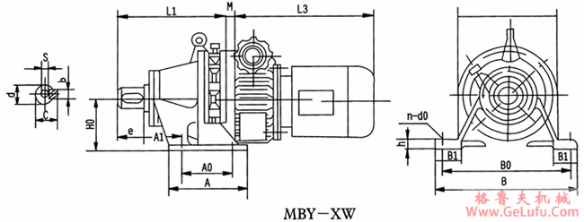
MBY-XW外型及机型号 fax:0312-6784733
mail:china@gelufu.com
|
机型号 |
Ho |
A |
Ao |
A1 |
B |
Bo |
B1 |
h |
n |
do |
d |
b |
c |
e |
s |
D |
L1 |
M |
L3 |
|
X1 |
80 |
110 |
80 |
40 |
185 |
160 |
32 |
12 |
4 |
9 |
18h6 |
6 |
20.5 |
25 |
M8 |
145 |
132 |
20 |
由所配MBLY的L3决定 |
|
X2 |
100 |
120 |
90 |
67 |
210 |
180 |
32 |
15 |
4 |
11 |
25h6 |
80 |
28 |
34 |
M8 |
155 |
156 |
21.5 | |
|
X3 |
140 |
150 |
100 |
95 |
290 |
250 |
55 |
20 |
4 |
15 |
35h6 |
10 |
38.5 |
57 |
M8 |
215 |
192 |
21.5 | |
|
X4 |
150 |
195 |
145 |
95 |
330 |
290 |
65 |
22 |
4 |
15 |
45h6 |
14 |
48.5 |
74 |
M8 |
238 |
240 |
25 | |
|
X5 |
160 |
260 |
150 |
113 |
410 |
370 |
75 |
25 |
4 |
15 |
55h6 |
16 |
59 |
91 |
M10 |
325 |
310 |
27 | |
|
X6 |
200 |
335 |
275 |
35 |
430 |
380 |
64 |
30 |
4 |
21 |
65h6 |
18 |
69 |
89 |
M12 |
340 |
353 |
27 | |
|
X7 |
220 |
380 |
320 |
36 |
470 |
420 |
73 |
30 |
4 |
22 |
80h6 |
22 |
85 |
110 |
M12 |
360 |
391 |
27 | |
|
X8 |
250 |
440 |
380 |
35 |
550 |
480 |
120 |
35 |
4 |
22 |
90h6 |
25 |
95 |
120 |
M16 |
450 |
446 |
23 | |
|
X9 |
290 |
560 |
480 |
45 |
620 |
560 |
80 |
40 |
4 |
26 |
100h6 |
28 |
106 |
141 |
M20 |
510 |
552 |
25 | |
|
X10 |
325 |
600 |
500 |
80 |
690 |
630 |
100 |
40 |
4 |
30 |
110h6 |
32 |
117 |
150 |
M24 |
580 |
610 |
25 |
Mobile:13331225020