您好,欢迎进入格鲁夫机械设备制造有限公司官网!
减速机|丝杆升降机|减速电机|行业专用减速机|减速机配件|减速机厂|丝杆升降机厂|转向器厂

联系我们

邮箱:china@gelufu.com
电话:0312-6784766
在线咨询

无极变速器

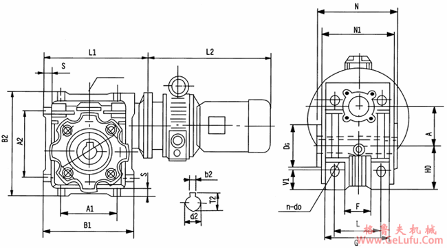
MB-WJ中空轴蜗轮减速机组合型的外型及安装尺寸

发布日期:2023-12-28 19:48 浏览次数:

MB-WJ中空轴蜗轮减速机组合型的外型及安装尺寸(图1)

传真:0312-6784733

MB-WJ中空轴蜗轮减速机组合型的外型及安装尺寸

QQ:47447450

MB-WJ中空轴蜗轮减速机组合型的外型及安装尺寸(图2) 电话:0312-6784766

机型
中心高H0
中心矩A
安装尺寸
输出孔
外形尺寸
V1
E
A1
A2
M
DGH7
n-do
n-mo
d2H7
b2
t2
S
B1
B2
G
F
M
M1
Llmax
L2
Wj50
60
50
20
70
80
104
85
70
14-φ9
4-M8
25
8
28.3
7.5
120
145
85
50
94
88
150
由所配无级变速器型号决定
Wj63
72
63
22
85
100
130
95
80
14-φ9
4-M8
25
8
28.3
8
145
175
102
66
112
106
180
Wj75
86
75
26
90
120
154
115
95
14-φ11
4-M8
28
8
31.3
10
175
206
112
72
120
114
215
Wj90
104
90
33
100
140
172
130
110
14-φ11
4-M10
35
10
38.3
11
210
240
130
80
140
134
250

Mobile:13331225020

Copyright © 2023-2025 格鲁夫 版权所有 备案号:冀ICP备19023093号-2

电子营业执照图标 电子营业执照
选择语言
Hello,欢迎来咨询~