您好,欢迎进入格鲁夫机械设备制造有限公司官网!
减速机|丝杆升降机|减速电机|行业专用减速机|减速机配件|减速机厂|丝杆升降机厂|转向器厂

联系我们

邮箱:china@gelufu.com
电话:0312-6784766
在线咨询

无极变速器

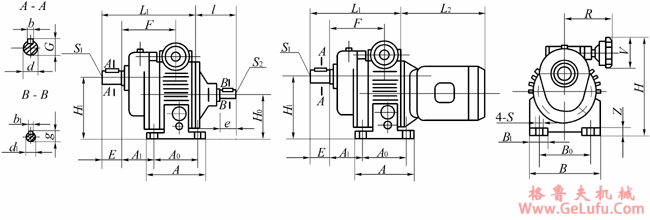
UD…B3(和B3S)-C-…型基本型与齿轮组合地脚式外形及安装尺寸

发布日期:2023-12-28 19:48 浏览次数:

UD…B3(和B3S)-C-…型基本型与齿轮组合地脚式外形及安装尺寸(图1) gelufu.com.cn

UD型基本型与齿轮组合地脚式外形及安装尺寸

QQ:47447450

UD…B3(和B3S)-C-…型基本型与齿轮组合地脚式外形及安装尺寸(图2) fax:0312-6784733

UD…B3(和B3S)-C-…型基本型与齿轮组合地脚式外形及安装尺寸 (mm)
型号
中心高
安装尺寸
输出轴
输入轴
外形尺寸
H0
H1
A0
A1
B0
S
d(k6)
b
G
E
S1
d1(js6)
b1
g
e
l
S2
A
Z
F
B
B1
H
R
V
L1
L2
UD2.2B3-C
150
230
230
63
245
14
40
12
43
60
M10
24
8
27
50
119
M8
270
25
170
300
55
350
166
100
306
320
UD3B3-C
320
UD4B3-C
340
UD5.5B3-C
200
320
250
157
315
18
50
14
53.5
82
M10
32
10
35
60
109
M10
290
30
255
365
70
447
194
100
455
395
UD7.5B3-C
435

Copyright © 2023-2025 格鲁夫 版权所有 备案号:冀ICP备19023093号-2

电子营业执照图标 电子营业执照
选择语言
Hello,欢迎来咨询~