您好,欢迎进入格鲁夫机械设备制造有限公司官网!
减速机|丝杆升降机|减速电机|行业专用减速机|减速机配件|减速机厂|丝杆升降机厂|转向器厂

联系我们

邮箱:china@gelufu.com
电话:0312-6784766
地址:莲池区焦庄乡 在线咨询

无极变速器

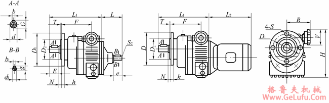
UD…B5-C…型基本型与齿轮组合法兰式外形及安装尺寸

发布日期:2023-12-28 19:48 浏览次数:

UD…B5-C…型基本型与齿轮组合法兰式外形及安装尺寸(图1) www.gelufu.com.cn

UD…B5-C…型基本型与齿轮组合法兰式外形及安装尺寸 传真:0312-6784733

UD…B5-C…型基本型与齿轮组合法兰式外形及安装尺寸(图2)

格鲁夫齿轮箱

UD…B5-C-…型基本型与齿轮组合法兰式外形及安装尺寸 (mm)
型号
安装尺寸
输出轴
输入轴
外形尺寸
D1
D2
T
N
S
d(k6)
b
G
E
S1
d1(js6)
b1
g
e
l
S2
D
h
F
H
R
V
L1
L2
UD2.2B5-C…
215
180
4
0
15
40
12
43
60
M10
24
8
27
50
119
M8
250
16
200
350
166
100
337
320
UD3B5-C…
320
UD4B5-C…
340
UD5.5B5-C…
265
230
5
0
15
50
14
53.5
82
M10
32
10
35
60
109
M10
300
20
255
447
194
100
455
395
UD7.5B5-C…
435

Copyright © 2023-2025 格鲁夫 版权所有 备案号:冀ICP备19023093号-2

电子营业执照图标 电子营业执照