您好,欢迎进入格鲁夫机械设备制造有限公司官网!
减速机|丝杆升降机|减速电机|行业专用减速机|减速机配件|减速机厂|丝杆升降机厂|转向器厂

联系我们

邮箱:china@gelufu.com
电话:0312-6784766
在线咨询

丝杆升降机

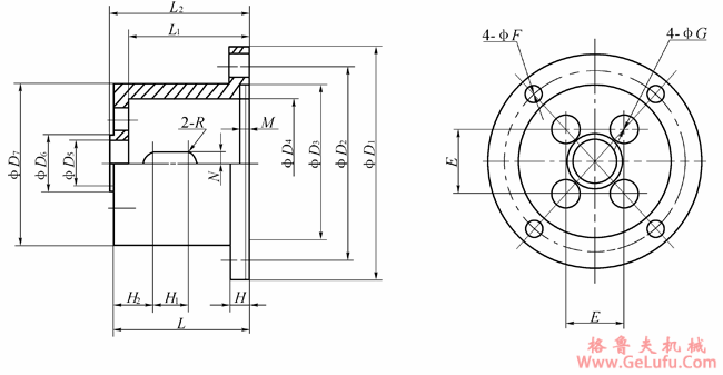
电机联接座(MA)

发布日期:2023-12-28 20:47 浏览次数:

电机联接座(MA)(图1) 传真:0312-6784733

电机联接座(MA)

mail:china@gelufu.com

电机联接座(MA)(图2) fax:0312-6784733

型号 D1 D2 D3 D4 D5 D6 D7 L L1 L2 H H1 H2 M N E F G
CS2.5-MA 90 75 60 54 16 22 62 57 51 58.5 8 15 16 3 8 24 5.5 6.6
CS5-MA 120 100 80 62 25 32 74 82 75 83.5 10 20 20 4 12 32.5 7 9
CS10-MA 140 110 95 65 25 35 82 100 90 101.5 12 20 20 4 12 35 9 9
CS25-MA 160 130 110 80 30 40 100 120 110 121.5 12 25 25 4 12 44 9 9
CS50-MA 160 130 110 96 40 52 116 150 137 151.5 12 25 25 4 12 55 9 11

Copyright © 2023-2025 格鲁夫 版权所有 备案号:冀ICP备19023093号-2

电子营业执照图标 电子营业执照
选择语言
Hello,欢迎来咨询~