gelufu.com.cn


|
序
号 |
型号 |
公称
转矩
Tn
(N・m) |
螺针拧
紧力矩
(N・m) |
最小非接
触转速
nF
(r/min) |
最高
转速
nmax
(r/min) |
外环 |
环内 |
质量
m
(kg) | |||||
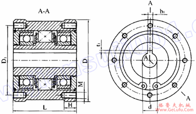
|
D
(H8) |
两端各螺纹
孔数-直径×深
n-M×H |
螺栓分
布直径
D1 |
宽
L
(js9) |
内径
d
(E7) |
键槽
b1×t1 |
宽
L1
(js9) | |||||||
|
1 |
CKF165×125-25 |
400 |
10 |
480 |
1500 |
165 |
8-M8×20 |
145 |
125 |
25 |
8×3.3 |
125 |
20.51 |
|
2 |
CKF170×130-25 |
500 |
12 |
470 |
1500 |
170 |
8-M8×20 |
150 |
130 |
25 |
8×3.3 |
130 |
22.68 |
|
3 |
CKF170×130-30 |
500 |
12 |
470 |
1500 |
170 |
8-M8×20 |
150 |
130 |
30 |
8×3.3 |
130 |
22.46 |
|
4 |
CKF175×130-30 |
600 |
14 |
450 |
1500 |
175 |
8-M8×20 |
155 |
130 |
30 |
8×3.3 |
130 |
23.84 |
|
5 |
CKF175×130-35 |
600 |
14 |
450 |
1500 |
175 |
8-M10×20 |
155 |
130 |
35 |
10×3.3 |
130 |
23.58 |
|
6 |
CKF185×130-35 |
800 |
18 |
430 |
1500 |
185 |
8-M10×25 |
162 |
130 |
35 |
10×3.3 |
130 |
26.46 |
|
7 |
CKF185×130-40 |
800 |
18 |
430 |
1500 |
185 |
8-M10×25 |
162 |
130 |
40 |
12×3.3 |
130 |
24.16 |
|
8 |
CKF190×135-32 |
1000 |
22 |
420 |
1500 |
190 |
8-M10×25 |
168 |
135 |
32 |
10×3.3 |
135 |
28.13 |
|
9 |
CKF190×135-38 |
1000 |
22 |
420 |
1500 |
190 |
8-M10×25 |
168 |
135 |
38 |
10×3.3 |
135 |
27.79 |
|
10 |
CKF190×135-40 |
1000 |
22 |
420 |
1500 |
190 |
8-M10×25 |
168 |
135 |
40 |
12×3.3 |
135 |
27.67 |
|
11 |
CKF190×135-42 |
1000 |
22 |
420 |
1500 |
190 |
8-M10×25 |
168 |
135 |
42 |
12×3.3 |
135 |
27.54 |
|
12 |
CKF190×135-45 |
1000 |
22 |
420 |
1500 |
190 |
8-M10×25 |
168 |
135 |
45 |
14×3.8 |
135 |
27.33 |
|
13 |
CKF190×135-50 |
1000 |
22 |
420 |
1500 |
190 |
8-M10×25 |
168 |
135 |
50 |
14×.8 |
135 |
26.95 |
|
14 |
CKF195×145-40 |
1250 |
25 |
400 |
1500 |
195 |
8-M10×25 |
172 |
145 |
40 |
12×3.3 |
145 |
32.59 |
|
15 |
CKF195×145-45 |
1250 |
25 |
400 |
1500 |
195 |
8-M10×25 |
172 |
145 |
45 |
14×3.8 |
145 |
32.21 |
|
16 |
CKF195×145-50 |
1250 |
25 |
400 |
1500 |
195 |
8-M10×25 |
172 |
145 |
50 |
14×3.8 |
145 |
31.78 |
|
17 |
CKF195×145-55 |
1250 |
25 |
400 |
1500 |
195 |
8-M10×25 |
172 |
145 |
55 |
16×4.3 |
145 |
31.31 |
|
18 |
CKF205×145-40 |
1400 |
26 |
400 |
1500 |
205 |
10-M10×25 |
182 |
145 |
40 |
12×3.3 |
145 |
36.61 |
|
19 |
CKF205×145-45 |
1400 |
26 |
400 |
1500 |
205 |
10-M10×25 |
182 |
145 |
45 |
14×3.8 |
145 |
35.78 |
|
20 |
CKF205×145-50 |
1400 |
26 |
400 |
1500 |
205 |
10-M10×25 |
182 |
145 |
50 |
14×3.8 |
145 |
35.34 |
|
21 |
CKF205×145-55 |
1600 |
26 |
400 |
1500 |
205 |
10-M10×25 |
182 |
145 |
55 |
16×4.3 |
145 |
34.18 |
|
22 |
CKF208×150-45 |
1600 |
27 |
400 |
1500 |
208 |
10-M10×25 |
185 |
150 |
45 |
14×3.8 |
150 |
38.16 |
|
23 |
CKF208×150-48 |
1600 |
27 |
400 |
1500 |
208 |
10-M10×25 |
185 |
150 |
48 |
14×3.8 |
150 |
37.9 |
|
24 |
CKF208×150-50 |
1600 |
27 |
400 |
1500 |
208 |
10-M10×25 |
185 |
150 |
50 |
14×3.8 |
150 |
37.72 |
|
25 |
CKF208×150-55 |
1600 |
27 |
400 |
1500 |
208 |
10-M10×25 |
185 |
150 |
55 |
16×4.3 |
150 |
37.24 |
|
26 |
CKF208×150-60 |
1600 |
27 |
400 |
1500 |
208 |
10-M10×25 |
185 |
150 |
60 |
18×4.4 |
150 |
36.71 |
|
27 |
CKF220×150-50 |
2000 |
30 |
400 |
1500 |
220 |
10-M10×25 |
195 |
150 |
50 |
14×3.8 |
150 |
42.48 |
|
28 |
CKF220×150-55 |
2000 |
30 |
400 |
1500 |
220 |
10-M10×25 |
195 |
150 |
55 |
16×4.3 |
150 |
41.99 |
|
29 |
CKF220×150-60 |
2000 |
30 |
400 |
1500 |
220 |
10-M10×25 |
195 |
150 |
60 |
18×4.4 |
150 |
41.46 |
|
30 |
CKF220×150-65 |
2000 |
30 |
400 |
1500 |
220 |
10-M10×25 |
195 |
150 |
65 |
18×4.4 |
150 |
40.88 |
|
31 |
CKF230×150-50 |
2500 |
32 |
390 |
1500 |
230 |
12-M10×25 |
205 |
150 |
50 |
14×3.8 |
150 |
46.55 |
|
32 |
CKF230×150-55 |
2500 |
32 |
390 |
1500 |
230 |
12-M10×25 |
205 |
150 |
55 |
16×4.3 |
150 |
46.16 |
|
33 |
CKF230×150-60 |
2500 |
32 |
390 |
1500 |
230 |
12-M10×25 |
205 |
150 |
60 |
18×4.4 |
150 |
45.63 |
|
34 |
CKF230×150-65 |
2500 |
32 |
390 |
1500 |
230 |
12-M10×25 |
205 |
150 |
65 |
18×4.4 |
150 |
45.05 |
|
35 |
CKF230×150-70 |
2500 |
32 |
390 |
1500 |
230 |
12-M10×25 |
205 |
150 |
70 |
20×4.9 |
150 |
44.42 |
|
36 |
CKF245×160-60 |
4000 |
52 |
380 |
1500 |
245 |
12-M12×25 |
218 |
160 |
60 |
18×4.4 |
160 |
55.7 |
|
37 |
CKF245×160-65 |
4000 |
52 |
380 |
1500 |
245 |
12-M12×25 |
218 |
160 |
65 |
18×4.4 |
160 |
55.09 |
|
38 |
CKF245×160-70 |
4000 |
52 |
380 |
1500 |
245 |
12-M12×25 |
218 |
160 |
70 |
20×4.9 |
160 |
54.42 |
|
39 |
CKF245×160-80 |
4000 |
52 |
380 |
1500 |
245 |
12-M12×25 |
218 |
160 |
75 |
20×4.9 |
160 |
53.70 |
|
40 |
CKF245×160-80 |
4000 |
52 |
380 |
1500 |
245 |
12-M12×25 |
218 |
160 |
80 |
22×5.4 |
160 |
52.93 |
|
41 |
CKF260×160-70 |
6300 |
95 |
370 |
1500 |
260 |
12-M14×25 |
230 |
160 |
70 |
20×4.9 |
160 |
61.90 |
|
42 |
CKF260×160-75 |
6300 |
95 |
370 |
1500 |
260 |
12-M14×25 |
230 |
160 |
75 |
20×4.9 |
160 |
61.18 |
|
43 |
CKF260×160-80 |
6300 |
95 |
370 |
1500 |
260 |
12-M14×25 |
230 |
160 |
80 |
22×5.4 |
160 |
60.42 |
|
44 |
CKF260×160-85 |
6300 |
95 |
370 |
1500 |
260 |
12-M14×25 |
230 |
160 |
85 |
22×5.4 |
160 |
59.60 |
|
45 |
CKF260×160-90 |
6300 |
95 |
370 |
1500 |
260 |
12-M14×25 |
230 |
160 |
90 |
22×5.4 |
160 |
58.74 |
|
46 |
CKF275×170-85 |
8000 |
110 |
370 |
1500 |
275 |
12-M14×25 |
245 |
170 |
85 |
22×5.4 |
170 |
72.61 |
|
47 |
CKF275×175-85 |
8000 |
110 |
370 |
1500 |
275 |
12-M14×25 |
245 |
170 |
85 |
22×5.4 |
170 |
71.75 |
|
48 |
CKF175×170-90 |
8000 |
110 |
370 |
1500 |
275 |
12-M14×25 |
245 |
170 |
90 |
25×5.4 |
170 |
70.83 |
|
49 |
CKF275×170-95 |
8000 |
110 |
370 |
1500 |
275 |
12-M14×25 |
245 |
170 |
95 |
25×5.4 |
170 |
69.86 |
|
50 |
CKF275×170-100 |
8000 |
110 |
370 |
1500 |
275 |
12-M14×25 |
245 |
170 |
100 |
25×6.4 |
170 |
68.63 |
|
51 |
CKF295×185-90 |
10000 |
140 |
370 |
1500 |
295 |
12-M16×30 |
260 |
185 |
90 |
25×5.4 |
185 |
90.09 |
|
52 |
CKF295×185-95 |
10000 |
140 |
370 |
1500 |
295 |
12-M16×30 |
260 |
185 |
95 |
25×5.4 |
185 |
89.03 |
|
53 |
CKF295×185-100 |
10000 |
140 |
370 |
1500 |
295 |
12-M16×30 |
260 |
185 |
100 |
28×6.4 |
185 |
87.92 |
|
54 |
CKF195×185-100 |
10000 |
140 |
370 |
1500 |
295 |
12-M16×30 |
260 |
185 |
110 |
28×6.4 |
185 |
85.46 |
|
55 |
CKF330×200-100 |
12500 |
170 |
350 |
1500 |
330 |
12-M16×30 |
295 |
200 |
100 |
28×6.4 |
200 |
121.95 |
|
56 |
CKF330×200-110 |
12500 |
170 |
350 |
1500 |
330 |
12-M16×30 |
295 |
200 |
110 |
28×6.4 |
200 |
119.36 |
|
57 |
CKF330×200-120 |
12500 |
170 |
350 |
1500 |
330 |
12-M16×30 |
295 |
200 |
120 |
32×6.4 |
200 |
116.53 |
|
58 |
CKF330×200-130 |
12500 |
170 |
350 |
1500 |
330 |
12-M16×30 |
295 |
200 |
130 |
32×6.4 |
200 |
113.44 |
|
59 |
CKF360×215-110 |
16000 |
215 |
350 |
1500 |
360 |
12-M18×30 |
320 |
215 |
110 |
28×6.4 |
215 |
155.75 |
|
60 |
CKF360×215-120 |
16000 |
215 |
350 |
1500 |
360 |
12-M18×30 |
320 |
215 |
120 |
32×7.4 |
215 |
152.7 |
|
61 |
CKF360×215-130 |
16000 |
215 |
350 |
1500 |
360 |
12-M18×30 |
320 |
215 |
130 |
32×7.4 |
215 |
149.39 |
|
62 |
CKF360×215-140 |
16000 |
215 |
350 |
1500 |
360 |
12-M18×30 |
320 |
215 |
140 |
36×8.4 |
215 |
145.81 |
|
63 |
CKF410×225-120 |
20000 |
230 |
350 |
1500 |
410 |
16-M20×30 |
360 |
225 |
120 |
32×7.4 |
225 |
213.21 |
|
64 |
CKF410×225-130 |
20000 |
230 | , ,
350 |
1500 |
410 |
16-M20×30 |
360 |
225 |
130 |
32×7.4 |
225 |
209.75 |
|
65 |
CKF410×225-140 |
20000 |
230 |
350 |
1500 |
410 |
16-M20×30 |
360 |
225 |
140 |
36×8.4 |
225 |
206 |
|
66 |
CKF410×225-150 |
20000 |
230 |
350 |
1500 |
410 |
16-M20×30 |
360 |
225 |
150 |
36×8.4 |
225 |
201.98 |
|
67 |
CKF440×235-130 |
25000 |
240 |
310 |
1000 |
440 |
16-M20×30 |
390 |
235 |
130 |
32×7.4 |
235 |
256.01 |
|
68 |
CKF440×235-140 |
25000 |
240 |
310 |
1000 |
440 |
16-M20×30 |
390 |
235 |
140 |
36×8.4 |
235 |
252.1 |
|
69 |
CKF440×235-150 |
25000 |
240 |
310 |
1000 |
440 |
16-M20×30 |
390 |
235 |
150 |
36×8.4 |
235 |
247.9 |
|
70 |
CKF440×235-160 |
25000 |
240 |
310 |
1000 |
440 |
16-M20×30 |
390 |
235 |
160 |
40×9.4 |
235 |
243.41 |