您好,欢迎进入格鲁夫机械设备制造有限公司官网!
减速机|丝杆升降机|减速电机|行业专用减速机|减速机配件|减速机厂|丝杆升降机厂|转向器厂

联系我们

邮箱:china@gelufu.com
电话:0312-6784766
在线咨询

减速电机

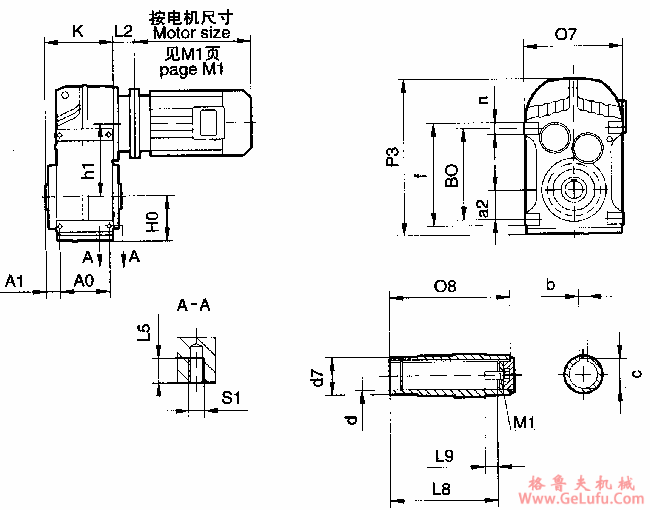
MPAB37、MPAB47、MPAB57、MPAB67、MPAB77、MPAB87、MPAB97、MPAB107、MPAB127、MPAB157、系列平等轴齿轮减速机的安装尺寸

发布日期:2023-12-28 19:38 浏览次数:

MPAB37、MPAB47、MPAB57、MPAB67、MPAB77、MPAB87、MPAB97、MPAB107、MPAB127、MPAB157、系列平等轴齿轮减速机的安装尺寸(图1) gelufu

MPAB系列平等轴齿轮减速机的安装尺寸

格鲁夫机械

MPAB37、MPAB47、MPAB57、MPAB67、MPAB77、MPAB87、MPAB97、MPAB107、MPAB127、MPAB157、系列平等轴齿轮减速机的安装尺寸(图2) 传真:0312-6784733

型号
安装尺寸
轴伸尺寸
外形尺寸
A1
A0
a2
BO
S1
H0
L5
d
c
b
L8
L9
M1
f
h1
n
O7
P3
O8
d7
K
L2
MPAB37
22.5
77
31
115
M8
74
11
30H7
33.3
8
105
17
M10×25-8.8
135
112
20
169
250
120
45
166
电机尺寸
MPAB47
31
93
43
145
M10
80
15
35H7
38.3
10
130
22
M10×25-8.8
165
128.1
20
180
272
150
50
138
MPAB57
33.5
102
55
170
M12
80
17
40H7
43.3
12
142
29
M16×40-8.8
195
136
25
200
317
166
55
150
MPAB67
38
112
60
190
M12
97
17
40H7
43.3
12
156
29
M16×40-8.8
215
159.5
25
217
343
180
55
172
MPAB77
37.5
140
70
240
M16
121
26
50H7
53.8
14
183
32
M16×45-8.8
275
200
35
279
426
210
70
194
MPAB87
43
165
100
310
M16
152
26
60H7
64.4
18
210
36
M20×50-8.8
350
246.7
40
330
531
240
85
229
MPAB97
50.5
205
120
350
M20
178
28
70H7
74.9
20
270
34
M20×50-8.8
400
285
50
400
623
300
95
272
MPAB107
76.5
220
125
400
M24
200
36
90H7
95.4
25
310
40
M24×60-8.8
460
332.4
60
450
717
350
120
321
MPAB127
81
270
142
450
M30
236
45
100H7
106.4
28
370
38
M24×60-8.8
520
382.6
70
530
856
410
135
376
MPAB157
118
310
170
540
M36
250
55
120H7
127.4
32
457
36
M24×60-8.8
620
447
80
660
1021
500
155
455
gelufu.com

Copyright © 2023-2025 格鲁夫 版权所有 备案号:冀ICP备19023093号-2

电子营业执照图标 电子营业执照
选择语言
Hello,欢迎来咨询~