您好,欢迎进入格鲁夫机械设备制造有限公司官网!
减速机|丝杆升降机|减速电机|行业专用减速机|减速机配件|减速机厂|丝杆升降机厂|转向器厂

联系我们

邮箱:china@gelufu.com
电话:0312-6784766
在线咨询

减速电机

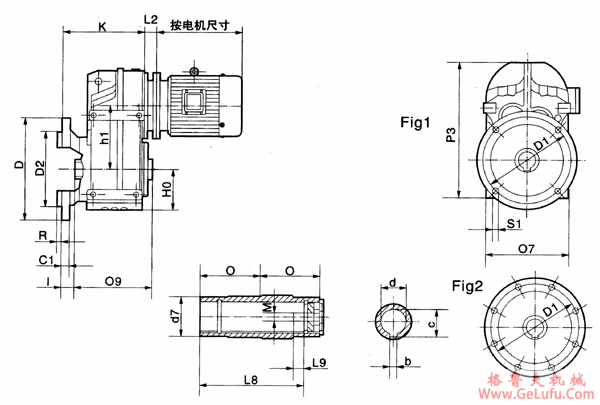
MPAF37、MPAF47、MPAF57、MPAF67、MPAF77、MPAF87、MPAF97、MPAF107、MPAF127、MPAF157、系列平等轴齿轮减速机的安装尺寸

发布日期:2023-12-28 19:38 浏览次数:

MPAF37、MPAF47、MPAF57、MPAF67、MPAF77、MPAF87、MPAF97、MPAF107、MPAF127、MPAF157、系列平等轴齿轮减速机的安装尺寸(图1)

QQ:20275456

MPAF系列平等轴齿轮减速机的安装尺寸

gelufu

MPAF37、MPAF47、MPAF57、MPAF67、MPAF77、MPAF87、MPAF97、MPAF107、MPAF127、MPAF157、系列平等轴齿轮减速机的安装尺寸(图2) QQ:20275456

型号
安装尺寸
轴伸尺寸
外形尺寸
S1
H0
Fig
D2
L8
L9
D1
R
M
d
c
b
l
O
O7
O9
P3
D
C1
K
h1
d7
L2
MPAF37
9
74
1
110h7
105
17
130
3.5
M10
30H7
33.3
8
24
60
169
123
250
160
10
140
112
45
电机尺寸
MPAF47
9
80
1
130h7
130
22
165
3.5
M12
35H7
38.3
10
24.5
75
180
153
272
200
12
162
128.1
50
MPAF57
13.5
93
1
180h7
142
29
215
4
M16
35H7
43.3
12
23.5
83
200
170
317
250
15
177
136
55
MPAF67
13.5
97
1
180h7
156
29
215
4
M16
40H7
43.3
12
23
90
217
184
343
250
15
195
159.5
55
MPAF77
13.5
121
1
230h7
183
32
265
4
M16
50H7
53.8
14
37
105
279
213
426
300
16
231
200
70
MPAF87
18
152
1
250h7
210
36
300
5
M20
60H7
64.4
18
30
120
330
243
531
350
18
259
246.7
85
MPAF97
18
178
2
350h7
270
34
400
5
M20
70H7
74.9
20
41.5
150
400
303
623
450
22
314
285
95
MPAF107
18
200
2
350h7
310
40
400
5
M24
90H7
95.4
25
41
175
450
353
717
450
22
362
332.4
120
MPAF127
18
236
2
450h7
370
38
500
5
M24
100H7
106.4
28
51
205
530
413
856
550
25
427
382.6
135
MPAF157
22
286
2
550h7
460
36
600
6
M24
120H7
127.4
32
60
250
660
503
1021
660
28
521
447
155
gelufu.com.cn

Copyright © 2023-2025 格鲁夫 版权所有 备案号:冀ICP备19023093号-2

电子营业执照图标 电子营业执照
选择语言
Hello,欢迎来咨询~