您好,欢迎进入格鲁夫机械设备制造有限公司官网!
减速机|丝杆升降机|减速电机|行业专用减速机|减速机配件|减速机厂|丝杆升降机厂|转向器厂

联系我们

邮箱:china@gelufu.com
电话:0312-6784766
地址:莲池区焦庄乡 在线咨询

减速电机

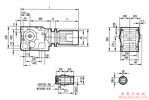
GKA127型斜齿轮弧齿锥齿轮减速电机安装结构图尺寸

发布日期:2023-12-28 19:37 浏览次数:

GKA127型斜齿轮弧齿锥齿轮减速电机安装结构图尺寸(图1) 电话:0312-6784766

GKA127型斜齿轮弧齿锥齿轮减速电机安装结构图尺寸 QQ:47447450

GKA127型斜齿轮弧齿锥齿轮减速电机安装结构图尺寸(图2) www.gelufu.com.cn

法兰联接式(Y2标准电机)
电机机座号
132M
160M
160L
180M
180L
200
225S
225M
250M
280S
280M
AC
275
330
330
380
380
420
470
470
510
580
580
AD
210
255
255
280
280
305
335
335
370
410
410
B
98.5
120
120
120
120
139
169
169
192.5
192.5
192.5
G
300
350
350
350
350
400
450
450
550
550
550
L1
430
505
560
590
630
660
675
705
770
845
895
L
1143.5
1240
1295
1325
1365
1414
1459
1489
1577.5
1652.5
1702.5

Copyright © 2023-2025 格鲁夫 版权所有 备案号:冀ICP备19023093号-2

电子营业执照图标 电子营业执照