您好,欢迎进入格鲁夫机械设备制造有限公司官网!
减速机|丝杆升降机|减速电机|行业专用减速机|减速机配件|减速机厂|丝杆升降机厂|转向器厂

联系我们

邮箱:china@gelufu.com
电话:0312-6784766
在线咨询

减速电机

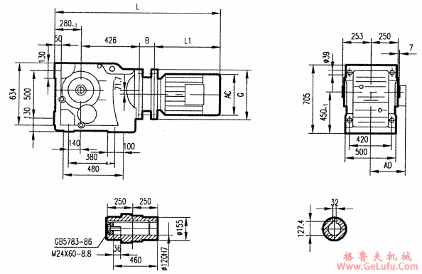
GKA157型斜齿轮弧齿锥齿轮减速电机安装结构图尺寸

发布日期:2023-12-28 19:37 浏览次数:

GKA157型斜齿轮弧齿锥齿轮减速电机安装结构图尺寸(图1) 格鲁夫机械

GKA157型斜齿轮弧齿锥齿轮减速电机安装结构图尺寸 传真:0312-6784733

GKA157型斜齿轮弧齿锥齿轮减速电机安装结构图尺寸(图2) mail:china@gelufu.com

法兰联接式(Y2标准电机)
电机机座号
132M
160M
160L
180M
180L
200
225S
225M
250M
280S
280M
AC
275
330
330
380
380
420
470
470
510
580
580
AD
210
255
255
280
280
305
335
335
370
410
410
B
80
115
115
115
115
160
170
170
192.5
192.5
192.5
G
300
350
350
350
350
400
450
450
550
550
550
L1
430
505
560
590
630
660
675
705
770
845
895
L
1216
1326
1380
1411
1451
1526
1551
1581
1678.5
1743.5
1793.5

Copyright © 2023-2025 格鲁夫 版权所有 备案号:冀ICP备19023093号-2

电子营业执照图标 电子营业执照
选择语言
Hello,欢迎来咨询~