您好,欢迎进入格鲁夫机械设备制造有限公司官网!
减速机|丝杆升降机|减速电机|行业专用减速机|减速机配件|减速机厂|丝杆升降机厂|转向器厂

联系我们

邮箱:china@gelufu.com
电话:0312-6784766
地址:莲池区焦庄乡 在线咨询

减速电机

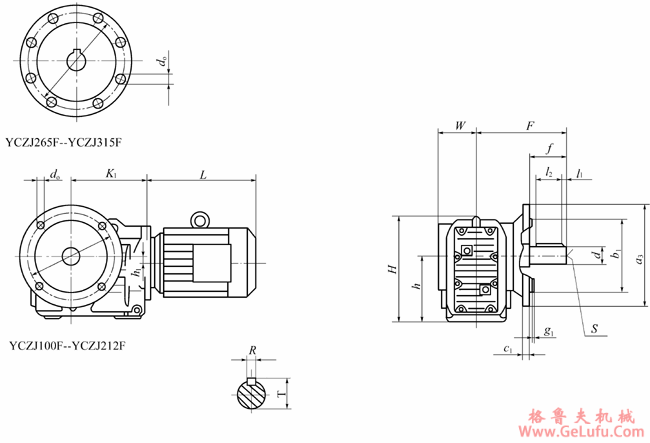
YCZJ100F、YCZJ112F、YCZJ140F、YCZJ180F、YCZJ212F、YCZJ265F、YCZJ315F、YCZJ375F、YCZJ450F系列斜齿轮-螺旋锥齿轮减速三相异步电动机外形及安装尺寸

发布日期:2023-12-28 19:36 浏览次数:

YCZJ100F、YCZJ112F、YCZJ140F、YCZJ180F、YCZJ212F、YCZJ265F、YCZJ315F、YCZJ375F、YCZJ450F系列斜齿轮-螺旋锥齿轮减速三相异步电动机外形及安装尺寸(图1)

gelufu.com.cn

YCZJ100F、YCZJ112F、YCZJ140F、YCZJ180F、YCZJ212F、YCZJ265F、YCZJ315F、YCZJ375F、YCZJ450F系列斜齿轮-螺旋锥齿轮减速三相异步电动机外形及安装尺寸(图2) 传真:0312-6784733

YCZJ100F-YCZJ315F 法兰安装 gelufu.com.cn

机座号
a3
b1
c1
e
g1
h1
F
H
k1
d0
h
w
d
f
l1
l2
T
R
s
L
YCZJ100F
160
110j6
10
130
3.5
8.5
134
164
158
9
100
57.5
25k6
50
5
40
28
8
M10
参  照  电  机  尺  寸
YCZJ112F
200
130j6
12
165
3.5
7.2
160
185
195
11
112
72
30k6
60
3.5
50
33
8
M10
YCZJ140F
250
180j6
15
215
4
20
193
226
208
13.5
140
86.5
40k6
80
5
70
43
12
M16
YCZJ180F
300
230j6
16
265
4
31.3
242
286
230
13.5
180
101
50k6
100
10
80
53.5
14
M16
YCZJ212F
350
250h6
18
300
5
25.9
270
338
286
17.5
212
138
60m6
120
5
110
64
18
M20
YCZJ265F
450
350h6
22
400
5
32.3
332
414
306
17.5
265
171
70m6
140
7.5
125
74.5
20
M20
YCZJ315F
450
350h6
22
400
5
52
386
500
409
17.5
315
175
90m6
170
5
160
95
25
M24
gelufu.com.cn

YCZJ100F、YCZJ112F、YCZJ140F、YCZJ180F、YCZJ212F、YCZJ265F、YCZJ315F、YCZJ375F、YCZJ450F系列斜齿轮-螺旋锥齿轮减速三相异步电动机外形及安装尺寸(图2) Mobile:13331225020

YCZJ375F-YCZJ450F 法兰安装

机座号
a3
b1
c1
e
g1
h1
F
H
k1
d0
h
w
d
f
l1
l2
T
R
S
L
YCZJ375F
550
450h6
25
500
5
53
466
592
458
17.5
375
203
110m6
210
5
180
116
28
M24
按电机尺寸
YCZJ450F
660
550h6
28
600
6
71.7
520
705
495
22
450
250
120m6
210
5
200
127
32
M24
手机:13331225020

Copyright © 2023-2025 格鲁夫 版权所有 备案号:冀ICP备19023093号-2

电子营业执照图标 电子营业执照