您好,欢迎进入格鲁夫机械设备制造有限公司官网!
减速机|丝杆升降机|减速电机|行业专用减速机|减速机配件|减速机厂|丝杆升降机厂|转向器厂

联系我们

邮箱:china@gelufu.com
电话:0312-6784766
在线咨询

蜗轮减速机

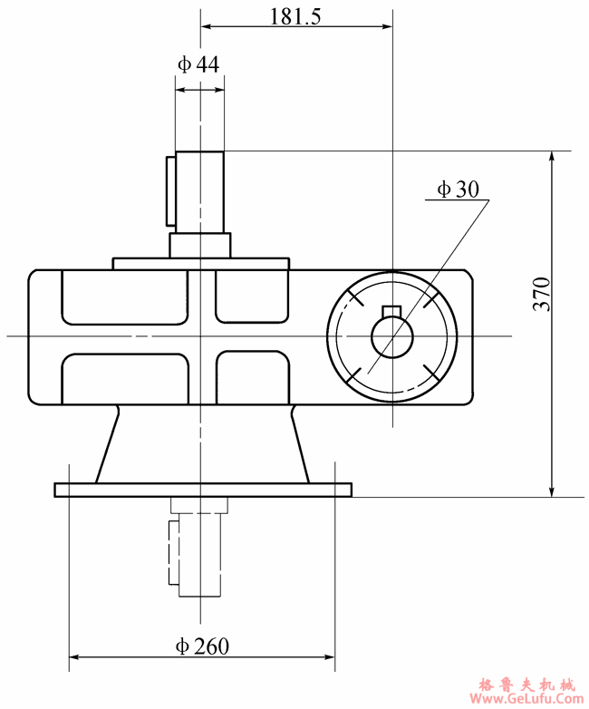
QT-181型塔机用蜗轮减速机外形及安装尺寸

发布日期:2023-12-28 18:28 浏览次数:

QT-181型塔机用蜗轮减速机外形及安装尺寸(图1)蜗轮减速机外形及安装尺寸"> 格鲁夫丝杆升降机

QT-181型塔机蜗轮减速机外观概览

减速器外形及安装尺寸 gelufu.com

QT-181型塔机用蜗轮减速机是QT型蜗轮减速机系列中针对塔式起重机回转机构设计的关键部件。其结构紧凑,外壳通常采用高强度铸铁或铸钢制成,表面经过防锈处理,以适应建筑工地复杂恶劣的户外环境。从外观上看,该减速机呈现出典型的蜗轮蜗杆传动装置特征,箱体坚固,散热筋设计合理,有效提升了工作过程中的热平衡性能。 格鲁夫丝杆升降机

QT-181型塔机用蜗轮减速机外形及安装尺寸(图2)

www.gelufu.com

上图清晰地展示了QT-181型减速机的正视图与侧视轮廓,图中标注了关键的接口尺寸和安装孔位。对于安装人员而言,精确理解这些尺寸是确保减速机与塔机回转支承实现无缝对接的基础。其安装法兰的孔径、孔距及止口尺寸均经过标准化设计,保证了与主流塔机型号的兼容性。此外,输入轴与输出轴的外形尺寸、键槽规格也需严格核对,以确保与电机和负载机构的可靠连接。 Mobile:13331225020

核心结构特点与尺寸解析

作为一款经典的蜗轮蜗杆减速机,QT-181型的核心优势在于其传动比大、结构紧凑、输出扭矩高,并能实现自锁功能,这对于塔机在吊装作业中需稳定停留在任意位置的要求至关重要。其外形尺寸直接决定了它在塔机回转平台上的布局空间。通常,总长、总宽、总高以及中心高是设备选型与机座设计的首要参考数据。安装尺寸则主要包括地脚安装孔的分布圆直径、螺栓规格,以及输出法兰的联接尺寸。这些数据必须与塔机生产商提供的图纸吻合,任何偏差都可能导致安装困难、产生附加应力或影响传动精度。 WX:grove_company

在实际应用中,例如在QTZ80或QTZ125等常见塔机型号上安装QT-181减速机时,技术人员需首先清洁安装面,确保平整无油污。然后使用高强螺栓按对角顺序逐步紧固,并达到规定的预紧力矩。安装过程中,必须保证输入轴与驱动电机的同轴度,通常建议采用柔性联轴器以补偿微小的对中误差,从而保护轴承和蜗轮蜗杆副,延长整机使用寿命。 gelufu.com

选型、安装与维护要点

在选择QT型蜗轮减速机时,除了关注QT-181型的具体外形及安装尺寸,还需综合考虑其额定输出扭矩、许用径向载荷、工作制以及防护等级等参数是否满足塔机的实际工况需求。蜗轮材料多为耐磨锡青铜,蜗杆则采用硬化磨削钢,这种搭配确保了传动的高效与耐久。在维护方面,定期检查油位、更换指定型号的润滑油、监听运行噪音是否异常、检查密封处有无渗漏,都是保障这台“动力枢纽”长期稳定运行的必要措施。 www.gelufu.com

总之,QT-181型塔机用蜗轮减速机的外形及安装尺寸是其物理集成的基础,而其内部精密的蜗轮蜗杆传动结构则是功能实现的核心。正确理解并应用这些尺寸数据,配合规范的安装与维护流程,才能充分发挥此类减速机在塔式起重机中传递动力、调节速度、保障安全的关键作用,为各类建筑施工提供可靠动力支持。

Copyright © 2023-2025 格鲁夫 版权所有 备案号:冀ICP备19023093号-2

电子营业执照图标 电子营业执照
选择语言
Hello,欢迎来咨询~