您好,欢迎进入格鲁夫机械设备制造有限公司官网!
减速机|丝杆升降机|减速电机|行业专用减速机|减速机配件|减速机厂|丝杆升降机厂|转向器厂

联系我们

邮箱:china@gelufu.com
电话:0312-6784766
在线咨询

行业专用减速机

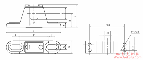
KL型支座尺寸

发布日期:2023-12-28 20:32 浏览次数:

KL型支座尺寸(图1) mail:china@gelufu.com

KL型支座尺寸

格鲁夫

KL型支座尺寸(图2) gelufu.com.cn

支座型号
A
B
D
E
F
H
U
S
T
V
重量kg
KL30
180
24
30
110
20
45
72
12
20
12
1.0
KL40
190
40
40
110
30
50
81
14
20
22
1.6
KL60
270
60
60
150
45
70
116
18
30
30
3.7
KL70
330
70
70
190
55
95
148
22
35
33.5
8.2
KL85
345
70
85
205
70
95
154
22
35
37
13
KL100
410
80
100
350
80
125
198
24
45
25
KL120
440
100
120
360
100
130
223
30
65
45
KL150
475
190
150
360
120
143
261
33
50
90

Copyright © 2023-2025 格鲁夫 版权所有 备案号:冀ICP备19023093号-2

电子营业执照图标 电子营业执照
选择语言
Hello,欢迎来咨询~