您好,欢迎进入格鲁夫机械设备制造有限公司官网!
减速机|丝杆升降机|减速电机|行业专用减速机|减速机配件|减速机厂|丝杆升降机厂|转向器厂

联系我们

邮箱:china@gelufu.com
电话:0312-6784766
在线咨询

行业专用减速机

TJ型电动滚筒的技术规格参数(直径500~630mm)

发布日期:2023-12-28 20:32 浏览次数:

TJ型电动滚筒的技术规格参数(直径500~630mm)(图1) 邮箱:china@gelufu.com

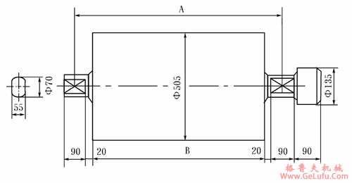
● 滚筒名义直径 Ø500mm ●

TJ型电动滚筒的技术规格参数(直径500~630mm)(图2) 微信:grove_company

A=B+112配KL70型支座
功率kw
带速m/s
最小筒宽B・min mm
最大筒宽 B・max mm
滚筒重量Kg
最小筒宽
每增加100mm
1.5
0.63 0.80 1.00 1.25 1.60
600
1600
280
14
2.2
0.63 0.80 1.00 1.25 1.60
2.00
3.0
0.80
700
1600
1.00 1.25 1.60 2.00 2.50
600
4.0
1.00 1.25 1.60 2.00 2.50
3.20
600
1600
5.5
1.25 1.60 2.00 2.50 3.20
600
1600
7.5
2.00
700
1600
2.50 3.20
600

TJ型电动滚筒的技术规格参数(直径500~630mm)(图3)

QQ:20275456

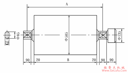
A=B+112配KL85型支座

功率kw
带速m/s
最小筒宽B・min mm
最大筒宽 B・max mm
滚筒重量Kg
最小筒宽
每增加100mm
4.0
0.50 0.63 0.80
750
1600
450
15
5.5
0.50 0.63 0.80
750
1600
5.5
1.00
650
1600
7.5
0.63 0.80
850
1600
1.00 1.25 1.60
750
1600
11
1.00 1.25 1.60 2.00 2.50 3.20
750
1600
15
1.25 1.60 2.00 2.50 3.20
850
1600
18.5
1.60 2.00 2.50 3.20
850
1600
微信:grove_company

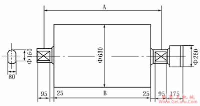
● 滚筒名义直径 Ø630mm ●

TJ型电动滚筒的技术规格参数(直径500~630mm)(图4) 手机:13331225020

A=B+112配KL85型支座
功率kw
带速m/s
最小筒宽B・min mm
最大筒宽 B・max mm
滚筒重量Kg
最小筒宽
每增加100mm
3.0
0.63 0.80 1.00
750
1600
450
28
1.25
650
4.0
0.63 0.80 1.00
750
1600
1.25 1.60 2.00
650
5.5
0.63 0.80 1.00
750
1600
1.25 1.60 2.00 2.50 3.20
650
7.5
0.80 1.00
850
1600
1.25 1.60 2.00
750
1600
2.50 3.20
650
1600
11
1.25 1.60 2.00 2.50 3.20 4.00
750
1600
15
1.60 2.00 2.50 3.20 4.00
850
1600
18.5
2.00 2.50 3.20
850
1600

TJ型电动滚筒的技术规格参数(直径500~630mm)(图5) Mobile:13331225020

A=B+132配KL100型支座

功率kw
带速m/s
最小筒宽B・min mm
最大筒宽 B・max mm
滚筒重量Kg
最小筒宽
每增加100mm
11
0.80 1.00
950
1600
680
30
15
0.80 1.00 1.25
18.5
0.80 1.00 1.25 1.60 2.00
22
1.00 1.25 1.60 2.00 2.50 3.20
30
1.25 1.60 2.00 2.50 3.20
37
1.60 2.00 2.50 3.20
45
2.00 2.50 3.20
1000
1600
Mobile:13331225020

Copyright © 2023-2025 格鲁夫 版权所有 备案号:冀ICP备19023093号-2

电子营业执照图标 电子营业执照
选择语言
Hello,欢迎来咨询~