Mobile:13331225020
|
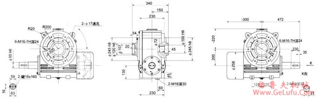
型号 |
中心距
(mm) |
传动比 |
输入功率(kw) |
输入转速(r/min) |
传动效率(%) |
允许工作油温(℃) |
|
18TU125 |
125 |
10 |
3 |
750 |
92 |
10~100 |
|
10TU200 |
200 |
12 |
15 |
750 |
91 |
10~100 |

