您好,欢迎进入格鲁夫机械设备制造有限公司官网!
|
网站地图
|
Tag标签
|
在线留言
|
联系我们
网站首页
Home
关于我们
ABOUT US
关于我们
售后保障
产品中心
PRODUCT
蜗轮减速机
齿轮减速机
丝杆升降机
减速电机
精密减速机
行业专用减速机
联轴器
摆线针轮减速机
技术文章
NEWS
蜗轮减速机
齿轮减速机
摆线针轮减速机
精密减速机
丝杆升降机
行星齿轮减速机
行业专用减速机
联轴器
减速机相关
问题解疑
减速电机
无极变速器
国外及港台减速机
电机
合作案例
CASE
售后服务
service
在线留言
MESSAGE
联系我们
CONTACT US
技术文章
蜗轮减速机
齿轮减速机
摆线针轮减速机
精密减速机
丝杆升降机
行星齿轮减速机
行业专用减速机
联轴器
减速机相关
问题解疑
减速电机
无极变速器
国外及港台减速机
电机
推荐产品
GⅠCL9型鼓形
GⅡCL13型鼓
LXZ13带制动
LZZ5带制动轮
联系我们
邮箱:
china@gelufu.com
电话:
0312-6784766
在线咨询
主页
>
技术文章
>
行业专用减速机
行业专用减速机
切纸机专用减速机外形尺寸
发布日期:2023-12-28 19:51
浏览次数:
格鲁夫机械
一、概述
切纸机专用减速器,主要用于数控切纸机裁切门主进给机构,已随各型切纸机批量出口美国、加拿大、英国、法国等国家,该机采用高精度变齿蜗杆传动、可实现裁切力大、速度快、噪音低、外型精巧、操控灵敏、效率高、使用寿命长等特点、属节能环保产品。
二、型号、中心距、传动比及主要参数
型号
中心距
(mm)
传动比
输入功率(kw)
输入转速(r/min)
传动效率(%)
允许工作油温(℃)
10TU100
100
40
3
1680
80
10~100
T109
125
40
4
1680
80
10~100
注意事项
1、 必须使用N320蜗轮油或Mobil SHC 634合成油。
2、 尺寸及规格如有变更,恕不另行通知。
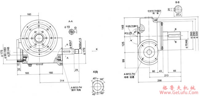
三、外形及安装尺寸
10TU100型切机专用减速机外形和安装尺寸
T109型切机专用减速机外形和安装尺寸
上一篇:TB型推杆减速机的选用JB/T7342-1994
下一篇:干粉压机专用减速机外形尺寸
查看更多 >>
推荐资讯
WD150、WD180、WD210、WD
WD型圆柱蜗杆减速机(JB/ZQ 4390-79)简介,WD型圆柱蜗杆减速机(JB/ZQ 4390-79)特点,WD型圆...
JRST系列多置式蜗杆减速机入力轴和输出
JRST系列多置式蜗杆减速机简介,JRST系列多置式蜗杆减速机特点,JRST系列多置式蜗杆减速机参数,JRST系列多置式...
WPDX型蜗轮蜗杆减速机主要尺寸
WP、WD型蜗杆减速机简介,WP、WD型蜗杆减速机特点,WP、WD型蜗杆减速机参数,WP、WD型蜗杆减速机具体型号,WP...
WWJ系列蜗杆减速机(WWJ063型尺寸
WWJ系列蜗杆减速器简介,WWJ系列蜗杆减速器特点,WWJ系列蜗杆减速器参数,WWJ系列蜗杆减速器具体型号,WWJ系列蜗...
选择语言
×
Українська
Norsk
Cymraeg
Nederlands
日本語
Filipino
English
ລາວ
తెలుగు
Română
नेपाली
Français
Kreyòl Ayisyen
Čeština
Svenska
Русский
Malagasy
မြန်မာစာ
پښتو
ไทย
Հայերեն
简体中文
فارسی
繁體中文
Kurdî
Türkçe
हिन्दी
Български
Bahasa Melayu
Kiswahili
ଓଡ଼ିଆ
Íslenska
Gaeilge
ភាសាខ្មែរ
ગુજરાતી
Slovenčina
ಕನ್ನಡ
עברית
Magyar
मराठी
தமிழ்
Eesti
മലയാളം
Inuktitut
العربية
Deutsch
Slovenščina
বাংলা
اردو
Azərbaycan
Português
Samoan
Afrikaans
Tongan
Ελληνικά
Bahasa Indonesia
Español
Dansk
አማርኛ
ਪੰਜਾਬੀ
Shqip
Lietuvių
Italiano
Tiếng Việt
한국어
Malti
Suomi
Català
Hrvatski
Bosanski
Polski
Latviešu
Māori
Hello,欢迎来咨询~