mail:china@gelufu.com
齿轮箱的外型尺寸 电话:0312-6784766
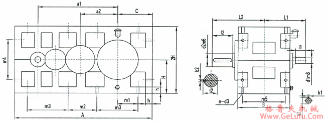
ZSYF系列压延机专用减速器外型尺寸
邮箱:china@gelufu.com
www.gelufu.com
| 型号 | a1 | a2 | A | B | C | H | h | m1 | m2 | m3 | m4 | m5 |
| 200 | 440 | 200 | 760 | 360 | 180 | 180 | 25 | 110 | 180 | 220 | 220 | 310 |
| 215 | 487 | 215 | 830 | 400 | 200 | 200 | 30 | 130 | 140 | 260 | 260 | 350 |
| 224 | 496 | 224 | 890 | 285 | 225 | 225 | 35 | 130 | 190 | 260 | 260 | 245 |
| 232 | 504 | 232 | 920 | 450 | 225 | 225 | 40 | 130 | 190 | 260 | 260 | 280 |
| 250 | 555 | 250 | 998 | 325 | 255 | 255 | 50 | 140 | 230 | 280 | 280 | 280 |
| 262 | 588 | 262 | 1023 | 396 | 250 | 250 | 50 | 146 | 208 | 262 | 292 | 326 |
| 300 | 640 | 300 | 1105 | 420 | 280 | 280 | 50 | 165 | 230 | 330 | 330 | 350 |
| 315 | 699 | 315 | 1220 | 440 | 305 | 305 | 50 | 175 | 260 | 350 | 350 | 374 |
| 355 | 785 | 355 | 1320 | 465 | 330 | 330 | 45 | 215 | 230 | 430 | 430 | 400 |
| 400 | 880 | 400 | 1500 | 520 | 400 | 400 | 60 | 190 | 420 | 380 | 380 | 440 |
|
型号 WX:grove_company |
d1(m6) | L1 | l1 | b1 | t1 | d2(m6) | L2 | l2 | b2 | t2 | n-d3 |
| 200 | 32 | 275 | 58 | 10 | 35 | 90 | 330 | 130 | 25 | 95 | 24-18 |
| 215 | 38 | 295 | 58 | 10 | 41 | 95 | 350 | 130 | 25 | 100 | 24-18 |
| 224 | 38 | 233 | 58 | 10 | 41 | 100 | 355 | 165 | 28 | 106 | 24-20 |
| 232 | 38 | 320 | 58 | 10 | 41 | 95 | 375 | 130 | 25 | 100 | 24-22 |
| 250 | 42 | 282 | 82 | 12 | 45 | 110 | 380 | 165 | 28 | 116 | 24-22 |
| 262 | 42 | 325 | 82 | 12 | 45 | 110 | 408 | 165 | 28 | 116 | 24-22 |
| 300 | 42 | 337 | 82 | 12 | 45 | 110 | 420 | 165 | 28 | 116 | 24-22 |
| 315 | 48 | 337 | 82 | 14 | 51.5 | 140 | 470 | 200 | 36 | 148 | 24-26 |
| 355 | 60 | 380 | 105 | 18 | 64 | 170 | 530 | 240 | 40 | 179 | 24-33 |
| 400 | 60 | 410 | 105 | 18 | 64 | 180 | 560 | 240 | 45 | 190 | 24-33 |
QQ:20275456