fax:0312-6784733
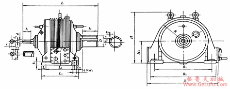
ZZD355~ZZD1800减速器外形尺寸 mail:china@gelufu.com
gelufu.com
|
型号 |
外形尺寸及中心高 |
轴伸尺寸 |
地脚尺寸 |
质量(kg) | ||||||||||||||||||||
|
L |
B |
H |
HB0B |
R |
d |
D |
lB1B |
lB2B |
tB1B |
tB2B |
tB3B |
bB1B |
bB2B |
bB3B |
LB0B |
LB1B |
LB2B |
LB3B |
BB1B |
BB2B |
dB1B |
h | ||
|
ZZD355 |
974 |
748 |
594 |
280 |
280 |
85 |
140 |
115 |
165 |
90 |
- |
14 |
22 |
- |
42 |
146 |
450 |
350 |
50 |
600 |
700 |
50 |
45 |
545 |
|
ZZD400 |
1057 |
838 |
676 |
315 |
320 |
95 |
150 |
125 |
180 |
100 |
- |
15 |
25 |
- |
45 |
143 |
520 |
400 |
60 |
675 |
790 |
50 |
55 |
800 |
|
ZZD450 |
1122 |
912 |
746 |
355 |
350 |
100 |
170 |
140 |
180 |
106 |
- |
17 |
28 |
- |
51 |
169 |
520 |
400 |
60 |
745 |
860 |
50 |
55 |
949 |
|
ZZD500 |
1173 |
1042 |
868 |
400 |
405 |
120 |
200 |
160 |
200 |
127 |
- |
20 |
32 |
- |
60 |
180 |
580 |
450 |
65 |
860 |
990 |
55 |
65 |
1476 |
|
ZZD560 |
1366 |
1122 |
992 |
450 |
450 |
130 |
220 |
165 |
240 |
- |
13 |
22 |
- |
39 |
66 |
225 |
580 |
480 |
50 |
940 |
1070 |
55 |
65 |
1851 |
|
ZZD630 |
1500 |
1268 |
1072 |
500 |
495 |
140 |
240 |
180 |
260 |
- |
14 |
24 |
- |
42 |
72 |
228 |
680 |
530 |
75 |
1050 |
1286 |
65 |
75 |
2520 |
|
ZZD710 |
1622 |
1366 |
1177 |
560 |
545 |
160 |
260 |
180 |
280 |
- |
16 |
26 |
- |
48 |
78 |
258 |
720 |
570 |
75 |
1150 |
1300 |
65 |
75 |
3412 |
|
ZZD800 |
1775 |
1540 |
1358 |
630 |
600 |
180 |
300 |
200 |
320 |
- |
18 |
30 |
- |
54 |
90 |
263 |
840 |
650 |
95 |
1320 |
1510 |
75 |
90 |
4683 |
|
ZZD900 |
1953 |
1700 |
1470 |
710 |
665 |
190 |
340 |
240 |
350 |
- |
19 |
34 |
- |
57 |
102 |
235 |
980 |
770 |
105 |
1420 |
1630 |
80 |
100 |
6582 |
|
ZZD1000 |
2184 |
1930 |
1644 |
800 |
755 |
220 |
360 |
260 |
400 |
- |
22 |
36 |
- |
66 |
108 |
308 |
1050 |
810 |
120 |
1640 |
1860 |
95 |
110 |
8208 |
|
ZZD1120 |
2387 |
2204 |
1869 |
900 |
850 |
240 |
400 |
260 |
400 |
- |
24 |
40 |
- |
72 |
120 |
322 |
1130 |
930 |
100 |
1870 |
2120 |
100 |
125 |
11453 |
|
ZZD1250 |
2618 |
2470 |
2060 |
1000 |
950 |
260 |
450 |
280 |
485 |
- |
26 |
45 |
- |
78 |
135 |
356 |
1330 |
1020 |
155 |
2120 |
2430 |
120 |
150 |
15795 |
|
ZZD1400 |
3067 |
2706 |
2267 |
1100 |
1035 |
280 |
500 |
350 |
670 |
- |
28 |
50 |
- |
84 |
150 |
372 |
1430 |
1120 |
155 |
2300 |
2610 |
120 |
150 |
20743 |
|
ZZD1600 |
3344 |
2946 |
2570 |
1250 |
1135 |
320 |
560 |
350 |
750 |
- |
32 |
56 |
- |
96 |
168 |
459 |
1500 |
1180 |
160 |
2540 |
2580 |
145 |
170 |
27313 |
|
ZZD1800 |
3644 |
3324 |
2742 |
1360 |
1290 |
340 |
630 |
400 |
850 |
- |
34 |
63 |
- |
102 |
189 |
434 |
1720 |
1350 |
185 |
2850 |
3220 |
165 |
200 |
37667 |