您好,欢迎进入格鲁夫机械设备制造有限公司官网!
减速机|丝杆升降机|减速电机|行业专用减速机|减速机配件|减速机厂|丝杆升降机厂|转向器厂

联系我们

邮箱:china@gelufu.com
电话:0312-6784766
在线咨询

行星齿轮减速机

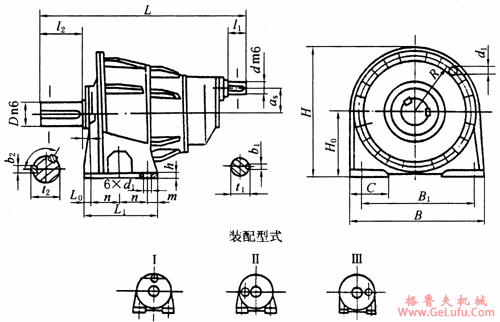
NBZD250、NBZD280、NBZD315、NBZD355、NBZD400、NBZD450、NBZD500、NBZD560、NBZD250型行星齿轮减速机外形及安装尺寸(规格代号1-8)JB/T6502-93

发布日期:2023-12-28 19:29 浏览次数:

NBZD250、NBZD280、NBZD315、NBZD355、NBZD400、NBZD450、NBZD500、NBZD560、NBZD250型行星齿轮减速机外形及安装尺寸(规格代号1-8)JB/T6502-93  (图1)

手机:13331225020

NBZD型行星齿轮减速机外形及安装尺寸 WX:grove_company

NBZD250、NBZD280、NBZD315、NBZD355、NBZD400、NBZD450、NBZD500、NBZD560、NBZD250型行星齿轮减速机外形及安装尺寸(规格代号1-8)JB/T6502-93  (图2) QQ:47447450

NBZD减速器的外形、装配型式和安装尺寸 (mm)

规格
代号
型号
规格
公称传
动比i
外形及中心高
轴伸
地脚尺寸
质量(kg)
润滑油
量(L)
L
B
H
H0
R/as
d
D
l1
l2
t1
b1
t2
b2
L1
L0
n
m
h
B1
C
d1
1
NBZD
250
56~125
580
450
425
225
215
82
28
80
42
130
51
8
85
22
270
30
110
25
20
360
120
20
240
10
2
NBZD
280
56~125
670
500
465
235
230
91
30
100
42
165
33
8
106
28
300
35
120
30
23
410
130
22
295
14
3
NBZD
315
56~125
770
560
525
265
260
100
32
120
58
165
35
10
127
32
320
35
130
30
25
470
140
22
400
18
4
NBZD
355
56~125
835
630
590
300
294
109
35
140
58
200
38
10
148
36
380
38
155
35
28
520
170
26
525
24
5
NBZD
400
56~125
1003
710
660
335
325
127
40
150
82
200
43
12
158
36
400
51
165
35
35
600
210
26
680
36
6
NBZD
450
56~125
1122
800
745
375
370
145
45
170
82
240
48.5
14
179
40
460
60
180
50
35
670
220
33
920
45
7
NBZD
500
56~125
1232
900
835
425
410
164
50
200
82
280
53.5
14
210
45
500
80
200
50
40
770
240
33
1350
55
8
NBZD
560
56~125
1327
1020
950
473
470
182
55
220
82
280
59
16
231
50
580
78.5
230
60
40
880
300
39
1720
72
微信:grove_company

Copyright © 2023-2025 格鲁夫 版权所有 备案号:冀ICP备19023093号-2

电子营业执照图标 电子营业执照
选择语言
Hello,欢迎来咨询~