您好,欢迎进入格鲁夫机械设备制造有限公司官网!
减速机|丝杆升降机|减速电机|行业专用减速机|减速机配件|减速机厂|丝杆升降机厂|转向器厂

联系我们

邮箱:china@gelufu.com
电话:0312-6784766
在线咨询

无极变速器

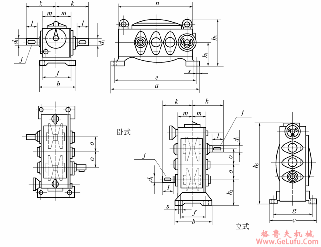
PS型的外形尺寸及装配形式

发布日期:2023-12-28 19:49 浏览次数:

PS型的外形尺寸及装配形式(图1) QQ:47447450

PS型的外形尺寸及装配形式 格鲁夫

PS型的外形尺寸及装配形式(图2) QQ:47447450

PS系列的外形尺寸(mm)
型号
a
b
c
d1
e
f
g
h1
h2
h3
h5
i
2k
l
m
n
o
s
PS1
465
185
285
24
430
150
250
132
132
270
440
8×40
360
50
110
400
80
14
PS2
550
240
340
28
520
140
300
150
160
314
518
8×50
396
60
130
470
95
18
PS3
680
305
390
32
640
265
350
180
195
392
641
10×70
504
80
151
600
124
18

Copyright © 2023-2025 格鲁夫 版权所有 备案号:冀ICP备19023093号-2

电子营业执照图标 电子营业执照
选择语言
Hello,欢迎来咨询~