fax:0312-6784733

|
产品型号 |
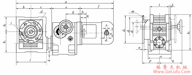
外形及安装尺寸 | |||||||||||||
|
a
b |
c
e |
f
d |
g
h1 |
h2
i |
j
k |
l
l1 |
m
d2 |
d3
d4 |
n
o |
p
q |
h3
q①1 |
b1
r①1 |
d1
t①1 | |
|
GPZH120FD-Ⅱ |
631
92.5 |
157.5
174 |
207
125 |
86
120 |
95
6-M8 |
185
6 |
130
4 |
4-φ11
100 |
165
185 |
12
146 |
120
120 |
215
23 |
25
4 |
11
12.5 |
|
GPZH180FD-Ⅱ | ||||||||||||||
|
GPZH250FD-Ⅱ |
712
115 |
180
192 |
225
156 |
94
150 |
120
4-M10 |
230
6 |
170
6 |
4-φ13
125 |
205
230 |
15
165 |
140
120 |
270
30 |
32
5 |
14
16 |
|
GPZH370FD-Ⅱ | ||||||||||||||
|
GPZH550FD-Ⅱ |
787
122.5 |
191.5
218 |
255
140 |
111
165 |
125
4-M12 |
245
15 |
193
6 |
4-φ13
168 |
215
245 |
18
200 |
152
160 |
290
40 |
42
6 |
19
21.5 |
|
GPZH750FD-Ⅱ | ||||||||||||||
|
GPZH1100FD-Ⅱ |
789
122.5 |
257
140 |
290
50 |
52
8 |
24
27 | |||||||||
|
GPZH1500FD-Ⅱ |
814
122.5 |
282
140 | ||||||||||||