您好,欢迎进入格鲁夫机械设备制造有限公司官网!
减速机|丝杆升降机|减速电机|行业专用减速机|减速机配件|减速机厂|丝杆升降机厂|转向器厂

联系我们

邮箱:china@gelufu.com
电话:0312-6784766
地址:莲池区焦庄乡 在线咨询

无极变速器

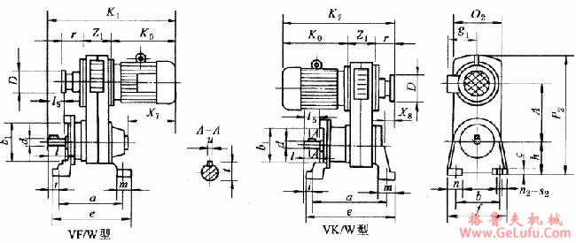
V型卧式变速机外形安装尺寸及性能参数

发布日期:2023-12-28 19:48 浏览次数:

V型卧式变速机外形安装尺寸及性能参数(图1) QQ:20275456

V型卧式变速器外形、安装尺寸及性能参数

邮箱:china@gelufu.com

V型卧式变速机外形安装尺寸及性能参数(图2)

Tel:0312-6784766

变速机型号
所配电机型号
外 形 尺 寸
重量/kg
备注
a
b
c
e
f
h
i
l5
m
n
P2
n2-s2
X7
X8
1
Y801
Y802
209
170
25
244
230
132
22
33
60
60
428
4-14
155
74
64
除本表所列外形尺 寸外,其他尺寸及性能参数见表15-3-21
2
Y90S
Y90L
259
230
30
309
304
160
31
43
60
70
516
4-14
150
175
121
102
103
3
Y100L1
Y100L2
Y112M
325
270
50
385
360
225
31
52
80
90
696
4-18
181
181
201
91
139
140
149
4
Y132S
Y132M
387
270
50
447
360
225
48
69
80
90
723
4-18
223
263
117
203
217
5
Y160M
Y160L
Y180M
Y180L
525
300
55
595
400
265
57
96
100
100
939
4-22
318
363
388
428
133
367
386
436
450
6
Y200L
Y225S
Y225M
638
340
70
739
480
365
55
97
125
125
1308
4-33
465
480
505
146
945
978
1015

Copyright © 2023-2025 格鲁夫 版权所有 备案号:冀ICP备19023093号-2

电子营业执照图标 电子营业执照