您好,欢迎进入格鲁夫机械设备制造有限公司官网!
减速机|丝杆升降机|减速电机|行业专用减速机|减速机配件|减速机厂|丝杆升降机厂|转向器厂

联系我们

邮箱:china@gelufu.com
电话:0312-6784766
地址:莲池区焦庄乡 在线咨询

无极变速器

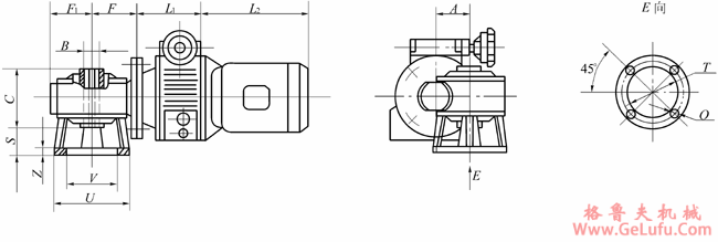
UD…B5-WJ…/PC…系列基本型与蜗轮减速机组合行星锥盘无级变速机外形及安装尺寸

发布日期:2023-12-28 19:48 浏览次数:

UD…B5-WJ…/PC…系列基本型与蜗轮减速机组合行星锥盘无级变速机外形及安装尺寸(图1) gelufu.com.cn

UD…B5-WJ…/PC…系列基本型与蜗轮减速机组合外形及安装尺寸

格鲁夫丝杆升降机

UD…B5-WJ…/PC…系列基本型与蜗轮减速机组合行星锥盘无级变速机外形及安装尺寸(图2)

www.gelufu.com.cn

UD…B5-WJ…/PC…型基本型与蜗轮减速器组合外形及安装尺寸 (mm)
型号
A
B(H7)
C
F
F1
L1
L2
U
V(H8)
T
Z
S
O
UD0.18B5-WJ40/PC
40
19
64
60
56
73
225
110
60
87
9
29
4×9
UD0.25B5-WJ49/PC
49
25
82
68
64
102
242
125
70
105
10
44
4×9
UD0.37B5-WJ49/PC
49
25
82
68
64
102
242
125
70
105
10
44
4×9
UD0.55B5-WJ62/PC
62
25
120
90
86
132
257
180
115
150
11
57
4×11
UD0.75B5-WJ62/PC
62
25
120
90
86
132
257
180
115
150
11
57
4×11
UD1.1B5-WJ87/PC
87
35
140
121
116
158
262
210
152
180
15
80
4×13
UD1.5B5-WJ87/PC
87
35
140
121
116
169
287
210
152
180
15
80
4×13

Copyright © 2023-2025 格鲁夫 版权所有 备案号:冀ICP备19023093号-2

电子营业执照图标 电子营业执照