您好,欢迎进入格鲁夫机械设备制造有限公司官网!
减速机|丝杆升降机|减速电机|行业专用减速机|减速机配件|减速机厂|丝杆升降机厂|转向器厂

联系我们

邮箱:china@gelufu.com
电话:0312-6784766
在线咨询

丝杆升降机

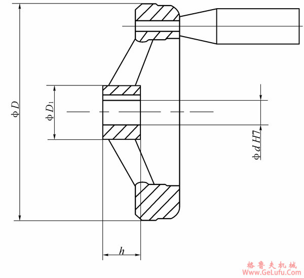
手轮(HW)

发布日期:2023-12-28 20:47 浏览次数:

手轮(HW)(图1) WX:grove_company

手轮(HW)

QQ:20275456

手轮(HW)(图2) gelufu

型号 d D D1 H h
CS2.5-HW 9 80 23 35 17
CS5-HW 10 100 25 35 17
CS10-HW 14 125 31 44 22
CS25-HW 16 160 40 51 27
CS50-HW 20 200 48 55 30
CS150-HW 25 250 52 60 34
CS250-HW 30 320 60 64 40
CS350-HW 35 400 65 72 45
CS500-HW 48 630 80 80 50

Copyright © 2023-2025 格鲁夫 版权所有 备案号:冀ICP备19023093号-2

电子营业执照图标 电子营业执照
选择语言
Hello,欢迎来咨询~