您好,欢迎进入格鲁夫机械设备制造有限公司官网!
减速机|丝杆升降机|减速电机|行业专用减速机|减速机配件|减速机厂|丝杆升降机厂|转向器厂

联系我们

邮箱:china@gelufu.com
电话:0312-6784766
在线咨询

丝杆升降机

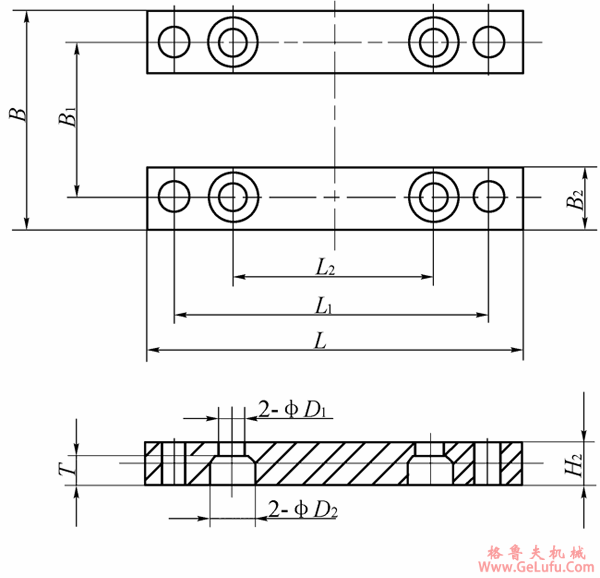
安装块(MF)

发布日期:2023-12-28 20:47 浏览次数:

安装块(MF)(图1) 微信:grove_company

安装块(MF) QQ:47447450

安装块(MF)(图2)
型号 L L1 L2 B B1 B2 d D1 D2 T h
CS2.5-MF 90 75 48 52 38 14 7 7 11 7 11
CS5-MF 120 100 60 72 52 20 9 9 15 9 13
CS10-MF 140 120 78 85 63 20 9 9 15 9 13
CS25-MF 170 150 106 105 81 25 11 11 18 11 16
CS50-MF 230 204 150 145 115 30 13 13 22 13 18
CS150-MF 270 236 166 171 131 40 21 21 35 21 28
CS250-MF 340 290 190 230 170 60 32 32 50 31 40
CS350-MF 410 350 230 270 190 80 38 38 60 37 50
CS500-MF 500 430 290 330 230 100 50 50 - - 63

注:成对使用 WX:grove_company

Copyright © 2023-2025 格鲁夫 版权所有 备案号:冀ICP备19023093号-2

电子营业执照图标 电子营业执照
选择语言
Hello,欢迎来咨询~