格鲁夫丝杆升降机

|
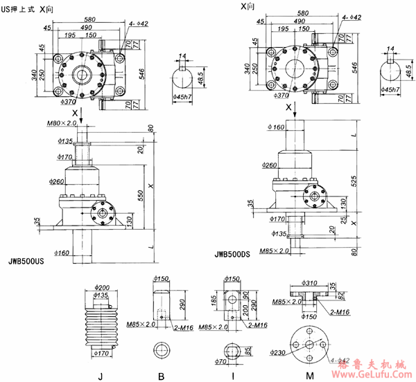
行程(mm) |
US |
DS |
m(kg) | ||||||||
|
X |
X⑴ |
L |
X |
X⑴ |
L | ||||||
|
MIN |
MAX |
MIN |
MAX |
MIN |
MAX |
MIN |
MAX | ||||
|
100 |
580 |
680 |
585 |
685 |
137 |
55 |
155 |
60 |
160 |
137 |
310 |
|
200 |
580 |
780 |
585 |
785 |
237 |
55 |
255 |
60 |
260 |
237 |
320 |
|
300 |
580 |
880 |
605 |
905 |
357 |
55 |
355 |
80 |
380 |
357 |
330 |
|
400 |
580 |
980 |
605 |
1005 |
457 |
55 |
455 |
80 |
480 |
457 |
340 |
|
500 |
580 |
1080 |
615 |
1115 |
567 |
55 |
555 |
90 |
590 |
567 |
350 |
|
600 |
580 |
1180 |
615 |
1215 |
667 |
55 |
655 |
90 |
690 |
667 |
359 |
|
800 |
580 |
1380 |
630 |
1430 |
882 |
55 |
855 |
105 |
905 |
882 |
378 |
|
1000 |
580 |
1580 |
645 |
1645 |
1097 |
55 |
1055 |
120 |
1120 |
1097 |
398 |