www.gelufu.com

|
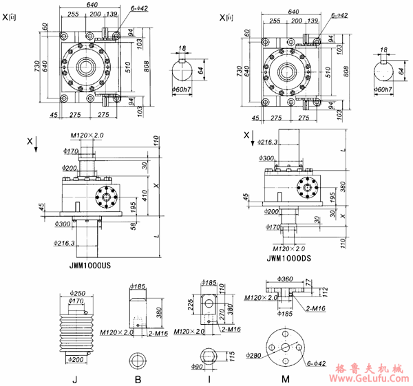
行程(mm) |
US |
DS |
m(kg) | ||||||||
|
X |
X⑴ |
L |
X |
X⑴ |
L | ||||||
|
MIN |
MAX |
MIN |
MAX |
MIN |
MAX |
MIN |
MAX | ||||
|
100 |
450 |
550 |
460 |
560 |
197 |
70 |
170 |
80 |
180 |
197 |
748 |
|
200 |
450 |
650 |
460 |
660 |
297 |
70 |
270 |
80 |
280 |
297 |
766 |
|
300 |
450 |
750 |
475 |
775 |
412 |
70 |
370 |
95 |
395 |
412 |
787 |
|
400 |
450 |
850 |
475 |
875 |
512 |
70 |
470 |
95 |
495 |
512 |
805 |
|
500 |
450 |
950 |
485 |
985 |
622 |
70 |
570 |
105 |
605 |
622 |
824 |
|
600 |
450 |
1050 |
485 |
1085 |
722 |
70 |
670 |
105 |
705 |
722 |
842 |
|
800 |
450 |
1250 |
500 |
1300 |
937 |
70 |
870 |
120 |
920 |
937 |
881 |