您好,欢迎进入格鲁夫机械设备制造有限公司官网!
减速机|丝杆升降机|减速电机|行业专用减速机|减速机配件|减速机厂|丝杆升降机厂|转向器厂

联系我们

邮箱:china@gelufu.com
电话:0312-6784766
在线咨询

丝杆升降机

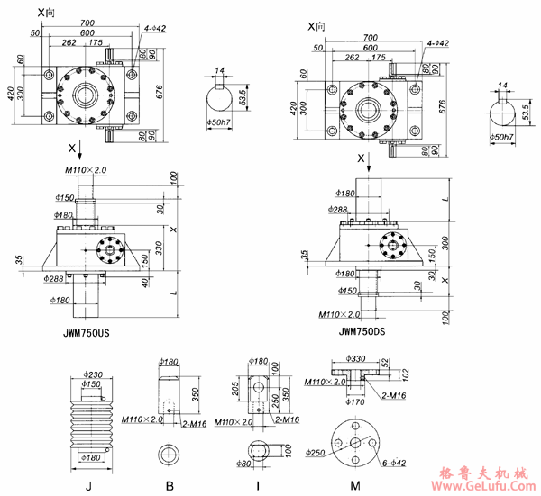
JWM750丝杠升降机外形尺寸表

发布日期:2023-12-28 20:47 浏览次数:

JWM750丝杠升降机外形尺寸表(图1)

电话:0312-6784766

JWM750丝杠升降机外形尺寸
JWM750丝杠升降机外形尺寸表(图2)
JWM750
行程(mm)
US
DS
m(kg)
X
X
L
X
X
L
MIN
MAX
MIN
MAX
MIN
MAX
MIN
MAX
100
370
470
380
480
197
70
170
80
180
197
370
200
370
570
380
580
297
70
270
80
280
297
384
300
370
670
395
695
412
70
370
95
395
412
401
400
370
770
395
795
512
70
470
95
495
512
415
500
370
870
410
910
627
70
570
110
610
627
431
600
370
970
410
1010
727
70
670
110
710
727
445
800
370
1170
425
1225
942
70
870
125
925
942
476
1000
370
1370
1152
70
1070
506

gelufu

Copyright © 2023-2025 格鲁夫 版权所有 备案号:冀ICP备19023093号-2

电子营业执照图标 电子营业执照
选择语言
Hello,欢迎来咨询~