QQ:20275456
RDS减速机TT型尺寸表 gelufu.com
www.gelufu.com.cn
WX:grove_company
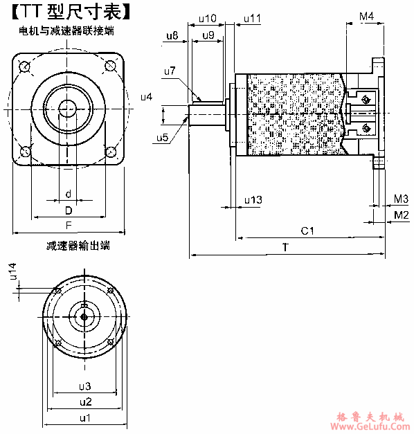
|
|
规格 |
| ||||
|
55 |
75 |
90 |
120 |
155 | ||
|
u1 |
56 |
75 |
90 |
120 |
155 | |
|
u2 |
40 |
52 |
65 |
85 |
110 | |
|
u3 |
32h7 |
40h7 |
50h7 |
70h7 |
80h7 | |
|
u4 |
12k6 |
14k6 |
19k6 |
25k6 |
32k6 | |
|
u5 |
M4×8 |
M5×10 |
M8×16 |
M10×20 |
M16×32 | |
|
u7 |
4×4 |
5×5 |
6×6 |
10×8 |
10×8 | |
|
u8 |
1.5 |
1.5 |
3 |
2.5 |
2.5 | |
|
u9 |
14 |
25 |
30 |
45 |
54 | |
|
u10 |
18 |
28 |
36 |
50 |
54 | |
|
u11 |
4 |
6.5 |
7 |
7.5 |
15 | |
|
u13 |
3 |
3 |
5 |
5 |
7 | |
|
u14 |
M5×8 |
M5×8 |
M6×8 |
M8×12 |
M10×18 | |
|
C1 |
90.5 |
112 |
144.5 |
179 |
224.5 |
1级 |
|
110.5 |
135.5 |
176.5 |
216.5 |
260 |
2级 | |
|
M2 |
12 |
12 |
12 |
15 |
18 |
|
|
M3 |
4 |
4 |
4.5 |
5 |
4.5 | |
|
M4 |
32 |
35 |
50 |
60 |
80 | |
|
F |
90×90max |
116×116max |
140×140max |
140×140max |
190×190max | |
|
T |
112.5 |
146.5 |
187.5 |
230 |
293.5 |
1级 |
|
132.5 |
170 |
219.5 |
282 |
329 |
2级 | |
|
dH7 |
min6 |
min9 |
min11 |
min19 |
min19 |
根据电机配置 |
|
max11 |
max14 |
max24 |
max32 |
max38 | ||
|
Dh6 |
min38 |
min45 |
min60 |
min80 |
min90 | |
|
max80 |
max110 |
max130 |
max130 |
max180 | ||
邮箱:china@gelufu.com