邮箱:china@gelufu.com
格鲁夫

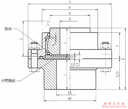
|
型号 |
扭力kg-M |
最高回转数
RPM |
最大孔径
mm |
最小孔径mm |
重量
kg |
润滑油重量
g |
尺寸 mm | |||||||||||
|
挠性 |
刚性 |
L |
C1 |
E |
A |
B |
F |
K |
H |
BE |
Z |
C2 | ||||||
|
35 |
53 |
4000 |
35 |
50 |
14 |
3.5 |
40 |
40 |
16 |
90 |
120 |
50 |
38 |
71 |
5 |
71 |
55 |
4 |
|
45 |
88 |
4000 |
45 |
60 |
16 |
4.5 |
40 |
45 |
16 |
100 |
137 |
60 |
44 |
92 |
5 |
92 |
65 |
4 |
|
55 |
147 |
4000 |
55 |
70 |
22 |
6.5 |
50 |
50 |
17 |
110 |
154 |
75 |
45 |
110 |
5 |
110 |
70 |
4 |
|
65 |
246 |
4000 |
65 |
80 |
37 |
13 |
65 |
63 |
17 |
136 |
168 |
90 |
49 |
120 |
5 |
120 |
85 |
4 |
|
75 |
410 |
4000 |
75 |
90 |
37 |
19 |
80 |
80 |
18 |
172 |
184 |
105 |
54 |
140 |
5 |
140 |
100 |
4 |
|
90 |
670 |
4000 |
90 |
105 |
37 |
26 |
130 |
90 |
19 |
192 |
206 |
125 |
55 |
160 |
5 |
160 |
110 |
4 |
|
105 |
980 |
3750 |
105 |
115 |
37 |
37 |
170 |
100 |
19 |
212 |
221 |
140 |
59 |
175 |
5 |
175 |
120 |
4 |
|
115 |
1420 |
3300 |
115 |
130 |
42 |
50 |
250 |
112 |
22 |
238 |
244 |
155 |
71 |
188 |
5 |
188 |
130 |
5 |
|
135 |
2100 |
3000 |
135 |
150 |
42 |
65 |
350 |
125 |
23.5 |
264 |
266 |
180 |
73 |
214 |
5 |
214 |
140 |
5 |
|
150 |
3100 |
2650 |
150 |
165 |
47 |
95 |
450 |
140 |
24.5 |
296 |
292 |
200 |
82 |
240 |
6 |
240 |
170 |
5 |
|
175 |
4550 |
2350 |
175 |
175 |
80 |
144 |
720 |
160 |
26 |
336 |
331 |
235 |
85 |
285 |
6 |
250 |
195 |
5 |
|
200 |
6650 |
2100 |
200 |
200 |
80 |
205 |
900 |
180 |
29 |
378 |
365 |
265 |
95 |
313 |
6 |
286 |
240 |
5 |
|
225 |
9700 |
1850 |
225 |
225 |
100 |
225 |
1300 |
200 |
30 |
420 |
412 |
300 |
104 |
350 |
6 |
322 |
250 |
6 |