

刚性联轴器,顾名思义,实际上是一种扭转刚性的联轴器,即使承受负载时也无任何回转间隙,即便是有偏差产生负荷时,刚性联轴器还是刚性传递扭矩。
如果系统中有任何偏差,都会导致轴、轴承或联轴器过早的损坏,也就是说其无法用在高速的环境下,因为它无法补偿由于高速运转产生高温而产生的轴间相对位移。当然,如果相对位移能被成功的控制,在伺服系统应用中刚性联轴器也能发挥很出色的性能。尤其是小规格的刚性联轴器具有重量轻,超低惯性和高灵敏度的优越性能,且在实际应用中,刚性联轴器具有免维护,超强抗油以及耐腐蚀的优点。
虽然过去人们不赞成把刚性联轴器用在伺服传动中,但由于其高扭矩承受力、刚性和零间隙性能,小规格的铝合金刚性联轴器越来越多地应用在运动控制领域中。
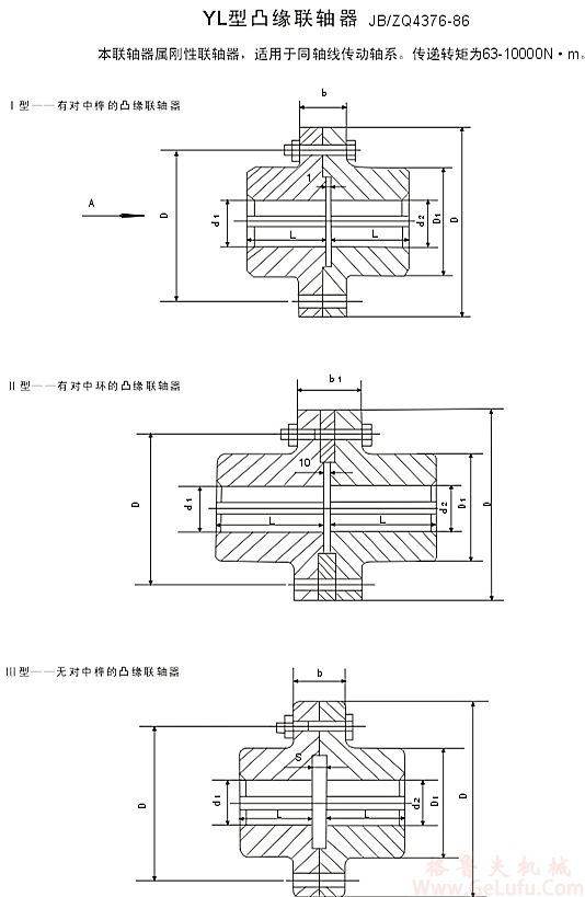
刚性联轴器过去亦称之为固定式刚性联轴器 ,包括凸缘联轴器、径向键凸缘联轴器、旷行轴联轴器、夹壳联轴器、套筒联轴器等。刚性联轴器一般结构简单,制造成本较低。选用刚性联轴器时应尽量减小被联接两轴轴线对中的误差,为了减少附加载荷对联轴器的影响,应尽量减小联轴器和轴承之间的距离。凸缘联轴器(亦称法兰联轴器)是利用螺栓联接两凸缘(法兰)盘式半联轴器
缺点:凸缘联轴器对两轴对中性的要求很高,当两轴有相对位移存在时,就会在机件内引起附加载荷,使工作情况恶化,这是它的主要缺点。
优点:但由于结构简单、成本低、可传递较大转矩,故当转速低、无冲击、轴的刚性大、对中性较好时常采用。凸缘联轴器(亦称法兰联轴器)是利用螺栓联接两凸缘(法兰)盘式半联轴器,两个半联轴器分别用键与两轴联接,以实现两轴联接,传递转矩和运动。凸缘联轴器结构简单,制造方便,成本较低,工作可靠,装拆、维护均较简便,传递转矩较大,能保证两轴具有较高的对中精度,一般常用于载荷平稳,高速或传动精度要求较高的轴系传动。凸缘联轴器不具备径向、轴向和角向补偿性能,使用时如果不能保证被联接两轴对中精度,将会降低联轴器的使用寿命、传动精度和传动效率,并引起振动和噪声。刚性联轴器凸缘上各螺栓根据传递转矩的大小,可全部采用铰制孔用螺栓,或一半采用铰制孔用螺栓,另一半用普通螺栓。 Mobile:13331225020

fax:0312-6784733
gelufu.com
YL型凸缘联轴器(JB/ZQ437686) gelufu.com.cn
YL9
传真:0312-6784733
YL型凸缘联轴器(JB/ZQ437686)
格鲁夫丝杆升降机
格鲁夫
YL型凸缘联轴器(JB/ZQ437686)
YL型凸缘联轴器(JB/ZQ437686)
YL型凸缘联轴器(JB/ZQ437686)
YL型凸缘联轴器(JB/ZQ437686)