您好,欢迎进入格鲁夫机械设备制造有限公司官网!
减速机|丝杆升降机|减速电机|行业专用减速机|减速机配件|减速机厂|丝杆升降机厂|转向器厂

联系我们

邮箱:china@gelufu.com
电话:0312-6784766
在线咨询

减速电机

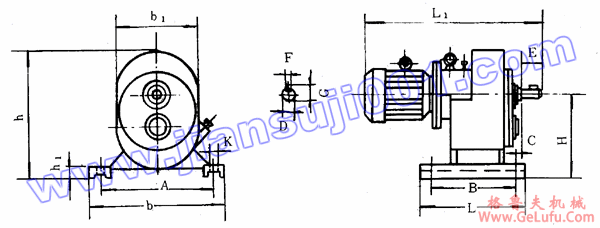
JTC系列小型齿轮减速电动机外形及安装尺寸

发布日期:2023-12-28 19:41 浏览次数:

JTC系列小型齿轮减速电动机外形及安装尺寸(图1) 格鲁夫丝杆升降机

JTC系列小型齿轮减速电动机外形及安装尺寸(图2) 邮箱:china@gelufu.com

机座号
安装尺寸
外形尺寸
A
B
C
D
E
F
G
H
K
b
h
h1
L
L1
b1
501
502
561
562
751
752
902
903
310
310
370
370
500
500
550
550
250
250
300
300
360
360
360
360
22
22
14
14
15
15
23
23
35
35
50
50
60
60
70
70
80
80
110
110
140
140
140
140
10
10
16
16
18
18
20
20
38.5
38.5
55
55
65.5
65.5
74.2
74.2
250
250
280
280
375
375
450
450
19
19
19
19
24
24
24
24
376
376
430
430
580
580
640
640
460
460
4.27
4.27
575
575
668
668
32
32
35
35
45
45
50
50
313
313
360
360
440
440
450
450
534
534
746
770
925
985
1100
1140
290
290
330
330
440
440
465
465
gelufu

Copyright © 2023-2025 格鲁夫 版权所有 备案号:冀ICP备19023093号-2

电子营业执照图标 电子营业执照
选择语言
Hello,欢迎来咨询~