fax:0312-6784733
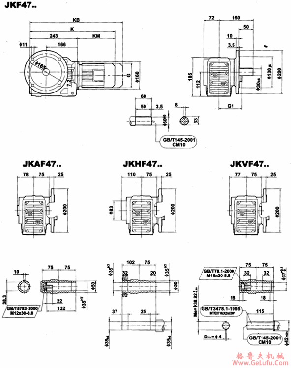
JK47..-JKVZ47..型减速电机外形安装尺寸 QQ:47447450
mail:china@gelufu.com
|
|
Y263 |
Y271 |
Y280 |
Y290S |
Y290L |
Y2100L |
|
|
|
|
|
|
|
G(AC) |
130 |
145 |
175 |
195 |
195 |
215 |
|
|
|
|
|
|
|
G1(AD) |
70 |
80 |
145 |
155 |
155 |
180 |
|
|
|
|
|
|
|
K |
444 |
462 |
492 |
507 |
532 |
562 |
|
|
|
|
|
|
|
KB |
514 |
532 |
582 |
597 |
622 |
657 |
|
|
|
|
|
|
|
KM(LB) |
207 |
225 |
255 |
270 |
295 |
325 |
|
|
|
|
|
|

|
|
Y263 |
Y271 |
Y280 |
Y290S |
Y290L |
Y2100L |
|
|
|
|
|
|
|
G(AC) |
130 |
145 |
175 |
195 |
195 |
215 |
|
|
|
|
|
|
|
G1(AD) |
70 |
80 |
145 |
155 |
155 |
180 |
|
|
|
|
|
|
|
K |
450 |
468 |
498 |
513 |
538 |
568 |
|
|
|
|
|
|
|
KB |
520 |
538 |
588 |
603 |
628 |
663 |
|
|
|
|
|
|
|
KM(LB) |
207 |
225 |
255 |
270 |
295 |
325 |
|
|
|
|
|
|

|
|
Y263 |
Y271 |
Y280 |
Y290S |
Y290L |
Y2100L |
|
|
|
|
|
|
|
G(AC) |
130 |
145 |
175 |
195 |
195 |
215 |
|
|
|
|
|
|
|
G1(AD) |
70 |
80 |
145 |
155 |
155 |
180 |
|
|
|
|
|
|
|
K |
450 |
468 |
498 |
513 |
538 |
568 |
|
|
|
|
|
|
|
KB |
520 |
538 |
588 |
603 |
628 |
663 |
|
|
|
|
|
|
|
KM(LB) |
207 |
225 |
255 |
270 |
295 |
325 |
|
|
|
|
|
|

|
|
Y263 |
Y271 |
Y280 |
Y290S |
Y290L |
Y2100L |
|
|
|
|
|
|
|
G(AC) |
130 |
145 |
175 |
195 |
195 |
215 |
|
|
|
|
|
|
|
G1(AD) |
70 |
80 |
145 |
155 |
155 |
180 |
|
|
|
|
|
|
|
K |
450 |
468 |
498 |
513 |
538 |
568 |
|
|
|
|
|
|
|
KB |
520 |
538 |
588 |
603 |
628 |
663 |
|
|
|
|
|
|
|
KM(LB) |
207 |
225 |
255 |
270 |
295 |
325 |
|
|
|
|
|
|