电话:0312-6784766
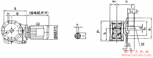
TXKF37-TXKF107法兰安装外形安装尺寸
gelufu.com.cn
邮箱:china@gelufu.com
|
型号 |
a1 |
Fig |
b1 |
c1 |
e1 |
f1 |
i2 |
k |
o |
p3 |
q1 |
s1 |
v1 |
w7 |
d |
l |
l11 |
l12 |
t |
u |
M |
|
TXKF37 |
160 |
1 |
110 |
10 |
130 |
3.5 |
50 |
210 |
134 |
164 |
139 |
9 |
100 |
57.5 |
25 |
50 |
5 |
40 |
28 |
8 |
M10 |
|
TXKF47 |
200 |
1 |
130 |
12 |
165 |
3.5 |
60 |
243 |
160 |
185 |
166 |
11 |
112 |
72 |
30 |
60 |
3.5 |
50 |
33 |
8 |
M10 |
|
TXKF57 |
250 |
1 |
180 |
15 |
215 |
4 |
70 |
269 |
177 |
215 |
173 |
13.5 |
132 |
80 |
35 |
70 |
7 |
56 |
38 |
10 |
M12 |
|
TXKF67 |
250 |
1 |
180 |
15 |
215 |
4 |
80 |
273 |
193 |
226 |
179 |
13.5 |
140 |
86.5 |
40 |
80 |
5 |
70 |
43 |
12 |
M16 |
|
TXKF77 |
300 |
1 |
230 |
16 |
265 |
4 |
100 |
311 |
242 |
286 |
202 |
13.5 |
180 |
101 |
50 |
100 |
10 |
80 |
53.5 |
14 |
M16 |
|
TXKF87 |
350 |
1 |
250 |
18 |
300 |
5 |
120 |
389 |
270 |
338 |
257 |
17.5 |
212 |
138 |
60 |
120 |
5 |
110 |
64 |
18 |
M20 |
|
TXKF97 |
450 |
2 |
350 |
22 |
400 |
5 |
140 |
435 |
332 |
414 |
277 |
17.5 |
265 |
171 |
70 |
140 |
7.5 |
125 |
74.5 |
20 |
M20 |
|
TXKF107 |
450 |
2 |
350 |
22 |
400 |
5 |
170 |
537 |
386 |
500 |
341 |
17.5 |
315 |
175 |
90 |
170 |
5 |
160 |
95 |
25 |
M24 |

|
型号 |
a1 |
b1 |
c1 |
e1 |
f1 |
h |
i2 |
k |
o |
p3 |
q1 |
s1 |
w7 |
d |
l |
l11 |
l12 |
t |
u |
M |
|
TXKF127 |
550 |
450 |
25 |
500 |
5 |
375 |
210 |
615 |
466 |
592 |
390 |
17.5 |
203 |
110 |
210 |
15 |
180 |
116 |
28 |
M24 |
|
TXKF157 |
660 |
550 |
28 |
600 |
6 |
450 |
210 |
706 |
520 |
705 |
426 |
22 |
253 |
120 |
210 |
5 |
200 |
127 |
32 |
M24 |
*电机尺寸参见附页,括号内尺寸为参考尺寸
微信:grove_company
QQ:20275456