

.
减速机(图1)" alt="ZQ、ZQH、JZQ、PM圆柱齿轮减速机(图1)" style="max-width:100%!important;height:auto!important;" border="0" src="/uploads/allimg/20240103/1-2401031H55T23.jpg"/>
格鲁夫机械
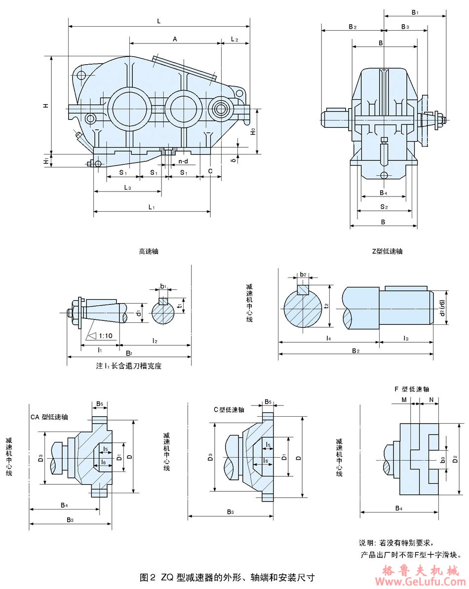
ZQ、ZQH、JZQ、PM圆柱齿轮减速机作为工业传动领域的重要设备,广泛应用于各类机械系统中,以其高效、稳定、耐用的特性赢得了市场的广泛认可。这些减速机型号众多,包括但不限于ZQ250、ZQ350、ZQ400、ZQ500、ZQ650、ZQ750、ZQ850以及ZQ1000等,每种型号都针对特定的应用场景和负载需求进行了优化设计。 www.gelufu.com
fax:0312-6784733
以ZQ系列为例,该系列减速机以其结构紧凑、传动效率高、噪音低等特点著称。在冶金、矿山、化工、建材等行业中,该系列减速机常被用于驱动各种重型机械设备,如破碎机、球磨机、提升机等。其强大的承载能力和稳定的传动性能,确保了设备在长时间高负荷运行下的可靠性和安全性。特别是ZQ1000型号,作为这个系列中的佼佼者,更是以其超大的扭矩输出和卓越的耐用性,成为了大型机械设备传动系统的。
格鲁夫减速机
gelufu.com.cn
而ZQH系列则是在ZQ系列的基础上进行了升级改进,采用了更加的齿轮加工工艺和热处理技术,进一步提高了这个系列减速机的传动效率和耐用性。同时,它还优化了散热设计,有效降低了减速机在长时间运行过程中的温升,延长了设备的使用寿命。在需要高精度传动的场合,如精密机床、自动化生产线等,这个系列减速机展现出了其独特的优势。 WX:grove_company
www.gelufu.com
JZQ系列减速机则以其独特的结构设计和高性价比赢得了市场的青睐。该系列减速机采用了模块化设计理念,使得设备的安装、调试和维护变得更加简便快捷。同时,它还提供了多种输入输出方式和速比选择,满足了不同用户的个性化需求。在轻工、食品、纺织等行业中,这个系列减速机以其灵活多变的特性,成为了传动系统的理想选择。 www.gelufu.com

PM系列圆柱齿轮减速机则以其高效节能、环保低噪的特点,在新能源、环保设备等领域得到了广泛应用。该系列减速机采用了的齿轮传动技术和优化的结构设计,有效降低了传动过程中的能量损失和噪音产生。同时,它还注重材料的选用和加工工艺的改进,确保了设备的轻量化和高强度。在风力发电、太阳能跟踪系统等新能源领域,该系列减速机以其卓越的性能和可靠性,为清洁能源的发展贡献了力量。


