mail:china@gelufu.com
www.gelufu.com
|
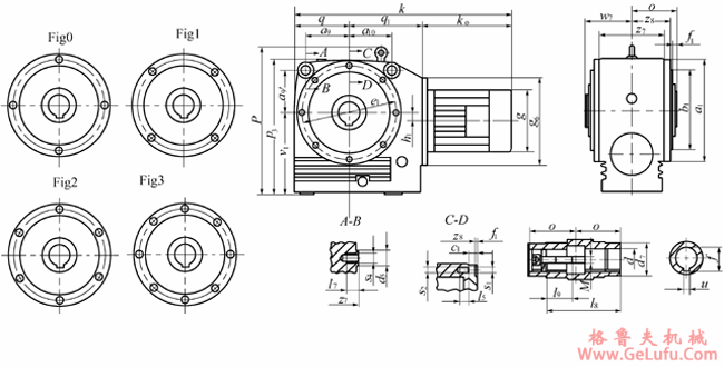
型号 |
电机
功率
(kW) |
尺寸 | ||||||||||||||||||
|
a1
a9
a9' |
Fig |
a10
b1
(h7) |
c1
d5
e1 |
f1 |
g |
g6
h1 |
k0 |
k |
15
17 |
o
p
p3 |
q
q1
s1 |
s2
s4
V1 |
w7
z7
z8 |
d
d7 |
18
19 |
f
u |
M | |||
|
WA132 |
0.18 |
φ110
-
- |
Fig0 |
-
φ60 |
9
-
φ75 |
3 |
φ130 |
φ150
- |
207 |
349 |
14
- |
60
-
137 |
62
80
- |
M6
-
82 |
62.5
96
57 |
φ20H7
φ32 |
104
32 |
22.8
6 |
M6 | |
|
0.25 |
φ145 |
245 |
387 | |||||||||||||||||
|
0.37 | ||||||||||||||||||||
|
0.55 |
φ165 |
255 |
397 | |||||||||||||||||
|
WA142 |
0.18 |
φ135
60
55 |
Fig1 |
70
φ95 |
13
φ20
φ115 |
3 |
φ130 |
125
4 |
227 |
412 |
12
20 |
70
211
182 |
83
102
φ9 |
M8
M12
100 |
72
98
62.5 |
φ30H7
φ45 |
122
16 |
33.3
8 |
M10 | |
|
0.25 |
φ145 |
245 |
430 | |||||||||||||||||
|
0.37 | ||||||||||||||||||||
|
0.55 |
φ175 |
250 |
435 | |||||||||||||||||
|
0.75 | ||||||||||||||||||||
|
1.1 |
φ195 |
265 |
450 | |||||||||||||||||
|
WA152 |
0.25 |
φ152
70
70 |
Fig2 |
80
φ110 |
12.5
φ25
φ130 |
4 |
φ145 |
φ160
11 |
245 |
448 |
14
20 |
72.5
248
210 |
91
112
φ9 |
M8
M12
112 |
75
103
64 |
φ30H7
φ50 |
127
16 |
33.3
8 |
M10 | |
|
0.37 | ||||||||||||||||||||
|
0.55 |
φ175 |
250 |
453 | |||||||||||||||||
|
0.75 | ||||||||||||||||||||
|
1.1 |
φ195 |
265 |
468 | |||||||||||||||||
|
1.5 |
290 |
493 | ||||||||||||||||||
|
WA162 |
0.37 |
φ192
85
85 |
Fig2 |
100
φ130 |
14.5
φ30
φ165 |
4 |
φ145 |
φ200
17.9 |
245 |
488 |
16
25 |
90
294
257 |
108
135
φ11 |
M10
M16
145 |
93
139
84 |
φ40H7
φ65 |
156
40 |
43.3
12
|
M16 | |
|
0.55 |
φ175 |
250 |
493 | |||||||||||||||||
|
0.75 | ||||||||||||||||||||
|
1.1 |
φ195 |
265 |
508 | |||||||||||||||||
|
1.5 |
290 |
533 | ||||||||||||||||||
|
2.2 |
φ215 |
320 |
563 | |||||||||||||||||
|
3 | ||||||||||||||||||||
|
WA172 |
0.75 |
φ243
105
105 |
Fig2 |
115
φ180 |
16.5
φ45
φ215 |
4 |
φ175 |
φ250
26.2 |
250 |
564 |
20
30 |
109
372
321 |
132
182
φ14 |
M12
M20
180 |
113
161
97.5 |
φ50H7
φ85 |
191
57 |
53.8
14 |
M16 | |
|
1.1 |
φ195 |
265 |
579 | |||||||||||||||||
|
1.5 |
290 |
604 | ||||||||||||||||||
|
2.2 |
φ215 |
320 |
634 | |||||||||||||||||
|
3 | ||||||||||||||||||||
|
4 |
φ240 |
340 |
654 | |||||||||||||||||
|
5.5 |
φ275 |
395 |
709 | |||||||||||||||||
|
WA182 |
1.5 |
φ292
120
120 |
Fig3 |
120
φ230 |
20
φ44
φ265 |
4 |
φ195 |
φ250
36 |
290 |
647 |
24
40 |
125
442
380 |
152
205
φ14 |
M12
M24
232 |
129
181
110.5 |
φ60H7
φ95 |
207.5
75 |
64.4
18 |
M20 | |
|
2.2 |
φ215 |
320 |
677 | |||||||||||||||||
|
3 | ||||||||||||||||||||
|
4 |
φ240 |
340 |
697 | |||||||||||||||||
|
5.5 |
φ275 |
395 |
752 | |||||||||||||||||
|
7.5 |
435 |
792 | ||||||||||||||||||
|
WA192 |
2.2 |
φ384
160
160 |
Fig3 |
160
φ300 |
21.5
φ58
φ350 |
5 |
φ215 |
φ300
50 |
320 |
767 |
26
45 |
150
552
490 |
202
245
φ18 |
M16
M30
285 |
154
207
125 |
φ70H7
φ115 |
270
32.5 |
74.9
20 |
M20 | |
|
3 | ||||||||||||||||||||
|
4 |
φ240 |
340 |
787 | |||||||||||||||||
|
5.5 |
φ275 |
395 |
842 | |||||||||||||||||
|
7.5 |
435 |
882 | ||||||||||||||||||
|
11 |
φ335 |
495 |
942 | |||||||||||||||||
|
15 |
540 |
987 | ||||||||||||||||||