减速机(WWJ130型尺寸图)"> 手机:13331225020
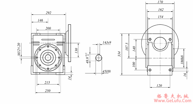
WWJ130型尺寸图详细展示了该型号蜗杆减速机的整体轮廓与关键接口尺寸,是设备选型、安装布置和空间规划不可或缺的技术依据。作为WWJ系列蜗杆减速器中的经典型号,WWJ130凭借其紧凑的箱体结构、高效的传动方案和稳定的承载能力,广泛应用于包装机械、食品加工、物流输送、环保设备等中低功率、需大速比传动的工业场景。 电话:0312-6784766

上图从主视角清晰呈现了WWJ130型蜗轮蜗杆减速机的整体外观。其结构采用经典的蜗杆下置式设计,确保了良好的润滑与散热性能。箱体通常由高强度铸铁铸造而成,表面经过精密加工与防锈处理,结构坚固且密封性优良,能有效防止润滑油泄漏和外界粉尘侵入。图中可明确辨识输入轴(连接电机端)与输出轴的位置、安装法兰的轮廓以及底脚螺栓孔的分布,这些信息对于设备的前期机械集成至关重要。
格鲁夫丝杆升降机

此幅详细的尺寸标注图,则提供了WWJ130型减速机所有关键接口的精确数值。图中通常包含中心高、输入输出轴径与键槽尺寸、箱体总长宽高、安装孔距、轴伸长度等核心数据。例如,用户可以根据标注的输入轴尺寸匹配相应联轴器或电机接口,依据输出轴参数设计配套的工作机连接部件,而准确的安装孔距则能指导基础底板的设计与加工。这份尺寸图是确保减速机与驱动系统、工作机实现精准机械对接的蓝图。 Mobile:13331225020
WWJ系列蜗杆减速器,包括WWJ130型号在内,其核心传动部件——蜗轮与蜗杆,通常采用优质锡青铜蜗轮配对经硬化磨削的合金钢蜗杆。这种材料组合实现了传动副的高耐磨性与低噪音运行。单级传动即可获得较大的速比(通常在5:1至100:1之间),结构紧凑,能实现输入轴与输出轴在空间上呈90度交错布置,这为设备布局提供了极大的灵活性。 格鲁夫
在实际应用中,以WWJ130型为例,其稳定的传动特性和自锁功能(在特定速比下)使其特别适用于需要防止负载倒转的场合,如倾斜输送带的提升机构、闸门的启闭装置等。此外,该系列减速机维护相对简便,定期检查油位并更换指定型号的润滑油即可保障其长期稳定运行。
格鲁夫
综上所述,本文提供的WWJ130型尺寸图不仅是简单的尺寸罗列,更是深入理解这款蜗轮蜗杆减速机物理接口与安装要求的窗口。结合其系列产品的通用优势,工程师可以准确评估WWJ130型是否满足特定项目的空间限制、传动比需求、扭矩承载及安装方式等条件,从而做出的设备选型决策,保障整个传动系统的高效、可靠运行。
fax:0312-6784733