邮箱:china@gelufu.com
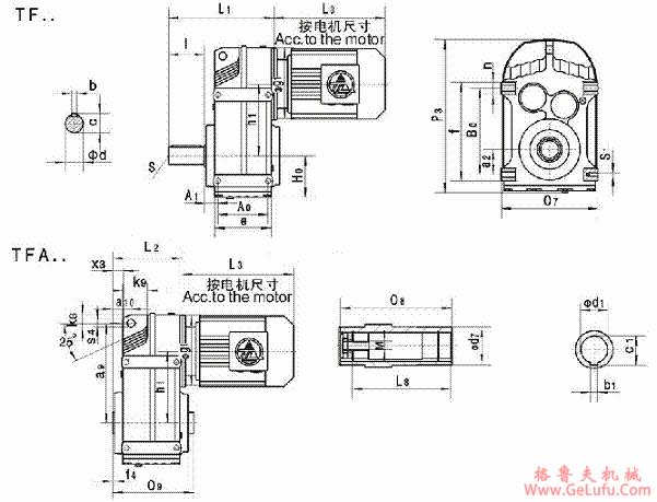
TF系列平行轴斜齿轮减速机的安装尺寸(型号为TF、TFA) 格鲁夫丝杆升降机
格鲁夫减速机
|
型号 |
安装尺寸 |
轴伸尺寸 |
外形尺寸 | ||||||||||||||||
|
a2 |
h1 |
A0 |
B0 |
e |
s |
A1 |
S1 |
H0 |
I |
d |
C |
b |
f |
g1 |
n |
O7 |
P3 |
L1 | |
|
TF38 |
31 |
112 |
77 |
115 |
95 |
M10 |
22.5 |
M8×11 |
76 |
50 |
25k6 |
28 |
8 |
135 |
120 |
20 |
165 |
252 |
166 |
|
TF48 |
43 |
128.1 |
93 |
145 |
109 |
M10 |
31 |
M10×15 |
77 |
60 |
30k6 |
33 |
8 |
165 |
120 |
20 |
180 |
269 |
198 |
|
TF58 |
55 |
136 |
102 |
170 |
126 |
M12 |
34.5 |
M12×17 |
93 |
70 |
35k6 |
38 |
10 |
195 |
160 |
25 |
200 |
317 |
221 |
|
TF68 |
60 |
159.5 |
112 |
190 |
131 |
M16 |
38.5 |
M12×17 |
97 |
80 |
40k6 |
43 |
12 |
215 |
160 |
25 |
212 |
343 |
252 |
|
TF78 |
70 |
200 |
140 |
240 |
165 |
M16 |
37.5 |
M16×26 |
131 |
100 |
50k6 |
53.5 |
14 |
275 |
200 |
35 |
270 |
426 |
294 |
|
TF88 |
100 |
246.7 |
165 |
310 |
195 |
M20 |
43 |
M16×26 |
152 |
120 |
60m6 |
64 |
18 |
350 |
250 |
40 |
330 |
531 |
349 |
|
TF98 |
120 |
285 |
205 |
350 |
240 |
M20 |
50.5 |
M20×28 |
178 |
140 |
70m6 |
74.5 |
20 |
400 |
300 |
50 |
400 |
623 |
412 |
|
TF108 |
125 |
332.4 |
220 |
400 |
260 |
M24 |
71.5 |
M24×36 |
200 |
170 |
90m6 |
95 |
25 |
460 |
350 |
60 |
450 |
717 |
491 |
|
TF128 |
142 |
382.6 |
270 |
450 |
316 |
M24 |
81 |
M30×45 |
236 |
210 |
110m6 |
116 |
28 |
520 |
450 |
70 |
530 |
856 |
586 |
|
TF158 |
170 |
447 |
310 |
540 |
350 |
M24 |
105 |
M36×55 |
286 |
210 |
120m6 |
127 |
32 |
620 |
550 |
80 |
660 |
1021 |
662 |
|
型号 |
安装尺寸 |
轴伸尺寸 |
外形尺寸 | |||||||||||||||
|
f4 |
x3 |
s4 |
h1 |
a10 |
a9 |
M |
d1 |
b1 |
c1 |
L8 |
O8 |
O9 |
d7 |
L2 |
g1 |
K8 |
K9 | |
|
TFA38 |
2.5 |
12.5 |
14 |
112 |
27.5 |
158 |
M10×25 |
30H7 |
8 |
33.3 |
105 |
120 |
123 |
45 |
116 |
120 |
30 |
41.5 |
|
TFA48 |
3 |
14 |
14 |
128.1 |
35 |
170 |
M12×30 |
35H7 |
10 |
38.3 |
130 |
150 |
153 |
50 |
138 |
120 |
22 |
54 |
|
TFA58 |
3 |
19.5 |
14 |
136 |
40.5 |
198 |
M16×40 |
40H7 |
12 |
43.3 |
142 |
166 |
169 |
55 |
150 |
160 |
31 |
60 |
|
TFA68 |
3.5 |
23.5 |
14 |
159.5 |
41 |
215 |
M16×40 |
40H7 |
12 |
43.3 |
156 |
180 |
183 |
55 |
172 |
160 |
52 |
67 |
|
TFA78 |
4 |
24 |
22 |
200 |
44 |
278 |
M16×40 |
50H7 |
14 |
53.8 |
183 |
210 |
213 |
70 |
194 |
200 |
49 |
76 |
|
TFA88 |
4 |
25.5 |
22 |
246.7 |
63.5 |
346 |
M20×50 |
60H7 |
18 |
64.4 |
210 |
240 |
243 |
85 |
229 |
250 |
57 |
85 |
|
TFA98 |
4 |
32 |
26 |
285 |
73 |
385 |
M20×50 |
70H7 |
20 |
74.9 |
270 |
300 |
303 |
95 |
272 |
300 |
88 |
100 |
|
TFA108 |
2.5 |
47.5 |
26 |
331.4 |
92.5 |
485 |
M24×60 |
90H7 |
25 |
95.4 |
310 |
350 |
353 |
120 |
321 |
350 |
105 |
121 |
|
TFA128 |
2.5 |
55 |
33 |
382.6 |
120 |
550 |
M24×60 |
100h7 |
28 |
106.4 |
370 |
410 |
413 |
135 |
376 |
450 |
138 |
153 |
|
TFA158 |
10.5 |
79.5 |
33 |
447 |
150 |
660 |
M24×60 |
120h7 |
32 |
127.4 |
457 |
500 |
503 |
155 |
455 |
550 |
170 |
140 |