fax:0312-6784733
QQ:47447450
|
功率 Kw |
型号 G3LM- |
减速比 i |
实际输出转速 r/min |
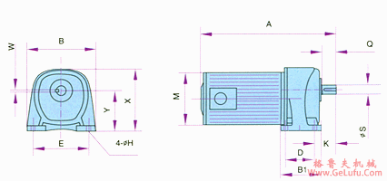
A |
主要外型及安装尺寸 | ||||||||||||
|
标准型 |
制动型 |
D |
E |
K |
X |
Y |
M |
H |
Q |
S |
W |
B |
B1 | ||||
|
0.1 |
18 |
5,10,15,20,25,30,40,50 |
280,138,95,70,55,45,35,28 |
236 |
276 |
40 |
110 |
45 |
131 |
85 |
114.5 |
9 |
27 |
18 |
6 |
135 |
65 |
|
22 |
60,80,100,120,160,200 |
23,17,14,11,8,7 |
262 |
299 |
65 |
130 |
55 |
139 |
90 |
114.5 |
11 |
35 |
22 |
6 |
155 |
90 | |
|
0.2 |
18 |
5,10,15,20,25 |
281,144,92,69,57 |
267 |
284 |
40 |
110 |
45 |
136 |
85 |
135 |
9 |
27 |
18 |
6 |
135 |
65 |
|
22 |
30,40,50,60,80,100 |
45,34,28,23,18,14 |
293 |
310 |
65 |
130 |
55 |
139 |
90 |
135 |
11 |
35 |
22 |
6 |
155 |
90 | |
|
28 |
100,120,160,200 |
14,11,8,7 |
306 |
323 |
90 |
140 |
65 |
167 |
110 |
135 |
11 |
40 |
28 |
8 |
175 |
125 | |
|
0.4 |
22 |
5,10,15,20,25 |
269,144,91,72,57 |
314 |
333.5 |
65 |
130 |
55 |
141.5 |
90 |
141 |
11 |
35 |
22 |
6 |
155 |
90 |
|
28 |
30,40,50,60,80,100 |
46,35,27,24,17,14 |
330 |
349.5 |
90 |
140 |
66 |
167 |
110 |
141 |
11 |
40 |
28 |
8 |
175 |
125 | |
|
32 |
100,120,160,200 |
14,11,8,7 |
394 |
368.5 |
130 |
170 |
70 |
198 |
130 |
141 |
13 |
50 |
32 |
10 |
208 |
170 | |
|
0.75 |
28 |
5,10,15,20,25 |
275,132,93,70,57 |
350.0 |
357.5 |
90 |
140 |
65 |
167.5 |
110 |
162 |
11 |
40 |
28 |
8 |
175 |
125 |
|
32 |
30,40,50,60,80,100 |
45,34,28,24,17,14 |
379.5 |
387.5 |
130 |
170 |
70 |
198 |
130 |
162 |
13 |
50 |
32 |
10 |
208 |
170 | |
|
1.5 |
32 |
5,10,15,20,25 |
277,140,91,72,56 |
420.5 |
441 |
130 |
170 |
70 |
198 |
130 |
186 |
13 |
50 |
32 |
10 |
208 |
170 |