











设计 格鲁夫齿轮箱
HB系列硬齿面减速机平行轴和直交轴减速机采用全新设计,模块化方式,其独特的创新之处在于:
零部件种类减少,而规格型号增加;
运行可靠性提高,传动功率增大;
采用性能卓越的非接触迷宫式密封;
可提供法兰式输出方式,使减速机满足狭小空间的安装要求(根据用户要求供货)
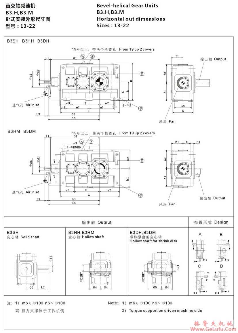
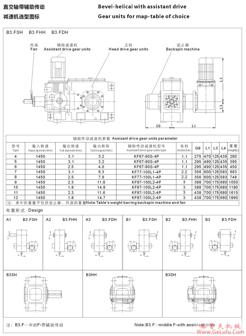
安装方式
H/B减速机既可卧式安装,也可立式安装,为多面体安装方式。
如果用户提出特殊要求,可以采用其它安装方式。
安装电机用法兰、减速机摆动底座和扭力支撑装置均为产品的标准配置。
减速机的噪音特性
采用最新的设计概念,通过以下途径彻底改善齿轮的噪音特性;
圆锥伞齿轮磨削工艺;
采用计算机程序,时间吸收噪音的箱体结构;
采用特大的齿面接触面积比。
减速机箱体散热
箱体不仅具备很高的传动效率,而且具有良好的散热性能,主要通过以下方法实现:
增大箱体的表面积
采用非接触迷宫式密封装置。
采用大风扇及新型导流风扇罩。
根据较低的最大允许油温选择减速机。这样,可因换油周期加长提高设备运行可靠性,并降低设备维护费用。
库存
减速机根据单元结构模块化设计原理,大大减少了零部件种类。
格鲁夫减速机
手机:13331225020
www.gelufu.com
格鲁夫减速机
QQ:47447450
邮箱:china@gelufu.com
WX:grove_company







































































