mail:china@gelufu.com

|
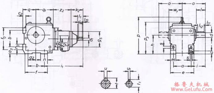
型号 |
a
a2 |
a3
b |
c
c2 |
e
f
f0 |
g2
g5 |
h |
i
i1 |
k2
|
m |
n
n0 |
o |
p
p3 |
q
q1 |
s
v2 |
w7
z2 |
d
l |
l11
l12 |
t
u |
d1
l1 |
l13
l14 |
t1
u1 |
|
SWD
140S
90ZS |
130
60 |
40
130 |
20
18 |
160
194
170 |
160
120 |
140-0.5 |
95
347 |
115 |
38 |
45
40 |
160 |
277
227 |
106
135 |
14
91 |
84
167 |
35
70 |
7
56 |
38
10 |
16
40 |
4
32 |
18
5 |
|
SWD
80S
90ZS |
150
75 |
70
135 |
25
25 |
185
216
180 |
200
120 |
180-0.5 |
120
353 |
115 |
45 |
67
45 |
195 |
336
291 |
125
162 |
18
91 |
99
136 |
45
90 |
5
80 |
48.5
14 |
16
40 |
4
32 |
18
5 |
|
SWD
225S
115ZS |
200
92 |
82
180 |
34
30 |
250
260
235 |
250
160 |
225-0.5 |
155
397 |
120 |
55
|
80
55 |
255 |
434
372 |
150
195 |
22
118 |
130
169 |
60
120 |
10
100 |
64
18 |
19
40 |
4
32 |
21.5
6 |
|
SWD
280S
115ZS |
250
115 |
90
235 |
40
35 |
300
320
300 |
300
160 |
280-1 |
170
410 |
120 |
65 |
90
65 |
295 |
529
458 |
180
240 |
26
118 |
150
169 |
70
140 |
15
110 |
74.5
20 |
19
40 |
4
32 |
21.5
6 |