www.gelufu.com.cn

|
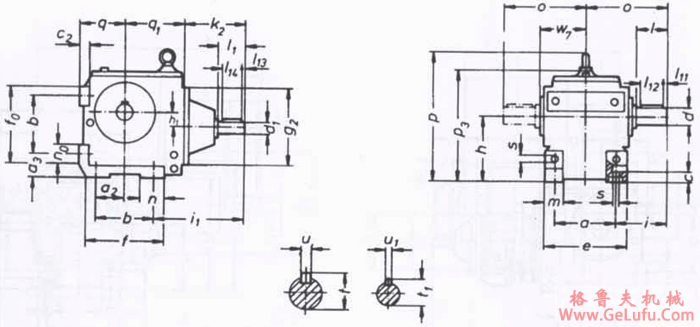
型号 |
a |
a2
a3 |
b |
c
c2 |
e |
f
f0 |
g2 |
h |
i
i1 |
k2 |
m
n |
h0
o |
p
p3 |
q
q1 |
s
w7 |
d
l |
l11
l12 |
t
u |
d1
l1 |
l13
l14 |
t1
u1 |
h1 |
|
SWD100ZS |
100 |
35
35 |
80 |
15
14 |
124 |
112
105 |
120 |
100-0.5 |
65
172 |
115 |
34
35 |
35
115 |
-
163 |
75
102 |
11
60 |
25
50 |
7
40 |
28
8 |
16
40 |
4
32 |
18
5 |
4 |
|
SWD112ZS |
110 |
45
35 |
100 |
16
16 |
136 |
145
140 |
120 |
112-0.5 |
79
167 |
115 |
35
40 |
40
134 |
-
190 |
80
107 |
11
69 |
30
60 |
7
50 |
33
8 |
16
40 |
4
32 |
18
5 |
17 |
|
SWD140ZS |
130 |
60
40 |
130 |
20
18 |
160
|
195
170 |
160 |
140-0.5 |
95
185 |
120 |
38
45 |
40
160 |
277
231 |
106
135 |
14
84 |
35
70 |
7
56 |
38
10 |
19
40 |
4
32 |
21.5
6 |
20 |
|
SWD180ZS |
150 |
75
70 |
135 |
25
25 |
185
|
216
180 |
200 |
180-0.5 |
120
242 |
140 |
45
67 |
45
195 |
336
291 |
125
162 |
18
99 |
45
90 |
5
80 |
48.5
14 |
24
50 |
5
40 |
27
8 |
26 |
|
SWD225ZS |
200 |
92
82 |
180 |
34
30 |
250 |
260
235 |
250 |
225-0.5 |
155
287 |
180 |
55
80 |
55
255 |
434
372 |
150
195 |
22
130 |
60
120 |
10
100 |
64
18 |
28
60 |
5
50 |
31
8 |
30 |
|
SWD280ZS |
250 |
115
90 |
235 |
40
35 |
300 |
320
300 |
300 |
280-0.5 |
170
340 |
220 |
65
90 |
65
295 |
529
458 |
180
240 |
26
150 |
70
140 |
15
110 |
74.5
20 |
38
80 |
5
70 |
41
10 |
44 |