您好,欢迎进入格鲁夫机械设备制造有限公司官网!
减速机|丝杆升降机|减速电机|行业专用减速机|减速机配件|减速机厂|丝杆升降机厂|转向器厂

联系我们

邮箱:china@gelufu.com
电话:0312-6784766
在线咨询

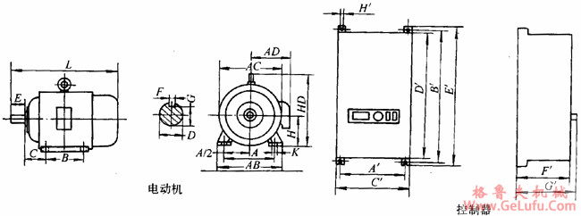
KC系列开关磁阻电动机及其调速系统外形、尺寸(H90~132mm)

发布日期:2023-12-28 22:06 浏览次数:

KC系列开关磁阻电动机及其调速系统外形、尺寸(H90~132mm)(图1) 邮箱:china@gelufu.com

KC系列开关磁阻电动机及其调速系统外形、尺寸(H90~132mm)(图2) Mobile:13331225020

KC系列外形尺寸图(见表2) gelufu.com.cn

表2 (单位:mm)

型号
A
B
C
D
E
G
H
F
K
A'
B'
H'
AB
AC
AD
HD
L
C'
D'
E'
F'
G'
KC90
KC90B
140
100
125
56
24
50
20
90
8
ф10
233
447
4.5
180
175
155
190
310
335
253
427
467
180
200
KC100
KC100B
160
140
63
28
60
24
100
8
ф12
233
447
4.5
205
210
180
245
380
253
427
467
180
200
KC132
KC132B
216
178
89
38
80
33
132
10
ф12
233
477
6.5
280
270
210
315
475
515
253
457
497
210
230

Tel:0312-6784766

Copyright © 2023-2025 格鲁夫 版权所有 备案号:冀ICP备19023093号-2

电子营业执照图标 电子营业执照
选择语言
Hello,欢迎来咨询~